QR কোড
পণ্য
যোগাযোগ করুন


ফ্যাক্স
+86-574-87168065

ই-মেইল

ঠিকানা
লুওটুও শিল্প অঞ্চল, ঝেনহাই জেলা, নিংবো সিটি, চীন
রায়ডাফনের এসডাব্লুসি-ডাব্লুডি শর্ট ছাড়াই ফ্লেক্স ফ্ল্যাঞ্জ টাইপ ইউনিভার্সাল কাপলিংটি ভারী যন্ত্রপাতিগুলিতে দক্ষতার সাথে টর্ককে সরিয়ে নেওয়ার জন্য নির্মিত-মনে করুন স্টিল রোলিং মিলস, ক্রেনস, উত্তোলন সরঞ্জাম, সমস্ত ভারী শুল্ক গিয়ার। এটি একটি কমপ্যাক্ট, নন-টেলিস্কোপিক ফ্ল্যাঞ্জ ডিজাইন পেয়েছে, 180 মিমি থেকে 1320 মিমি পর্যন্ত গাইরেশন ব্যাসার সহ। এই সংক্ষিপ্ত ফ্ল্যাঞ্জ ইউনিভার্সাল কাপলিং 15 ডিগ্রি পর্যন্ত 15 ডিগ্রি পর্যন্ত কৌণিক মিসালাইনমেন্টগুলি পরিচালনা করতে পারে এবং 16000 কেএন · এম হিসাবে উচ্চতর, তাই এমনকি এমন শক্ত জায়গাগুলিতে যেখানে খুব বেশি জায়গা নেই, এটি শক্তি নির্ভরযোগ্যভাবে স্থানান্তর করে। আমরা এটি উচ্চ-শক্তি 35crmo স্টিল থেকে তৈরি করি, একটি ভারবহন কাঠামো যা বোল্টের প্রয়োজন হয় না-ভারী যন্ত্রপাতি এবং শিল্প অ্যাপ্লিকেশনগুলির জন্য নন-টেলিস্কোপিক ইউনিভার্সাল কাপলিংয়ের জন্য সার্বজনীন কাপলিংয়ের জন্য নিখুঁত। এটির জন্য খুব বেশি রক্ষণাবেক্ষণের প্রয়োজন হয় না এবং চিরকাল স্থায়ী হয়, যা আপনার শক্ত সেটআপগুলিতে ঠিক যা প্রয়োজন।
চীনে আমাদের উত্পাদন আইএসও 9001 স্ট্যান্ডার্ড অনুসরণ করে, তাই এসডাব্লুসি-ডাব্লুডি ইউনিভার্সাল কাপলিং কঠোর পরিস্থিতিতে ধরে রাখে। ক্রস শ্যাফ্টটি ক্ষার প্রতিরোধের জন্য ক্রোম-ধাতুপট্টাবৃত হয়, এর দৃ ness ়তা যুক্ত করে। এর অনমনীয়, ld ালাইযুক্ত ফ্ল্যাঞ্জ ডিজাইন ইনস্টলেশনটিকে একটি বাতাস তৈরি করে, বিশেষত ধাতুবিদ্যা এবং খনির সরঞ্জামগুলিতে যেখানে অক্ষীয় চলাচল বেশ ন্যূনতম। আমরা আপনার প্রয়োজনগুলি ফিট করার জন্য আকারটি কাস্টমাইজ করতে পারি, সুতরাং এই টেকসই সংক্ষিপ্ত ইউনিভার্সাল কাপলিং ক্রেন সিস্টেম এবং অন্যান্য ভারী শুল্ক কাজের জন্য কাস্টম ইউনিভার্সাল কাপলিং হিসাবে দুর্দান্ত কাজ করে। এবং দামও প্রতিযোগিতামূলক। রায়ডাফনের সুনির্দিষ্ট কারুশিল্পের অর্থ কম ডাউনটাইম এবং আরও নির্ভরযোগ্য সরঞ্জাম - বিশ্বজুড়ে এমন কিছু শিল্প অপারেটর গণনা করতে পারে।
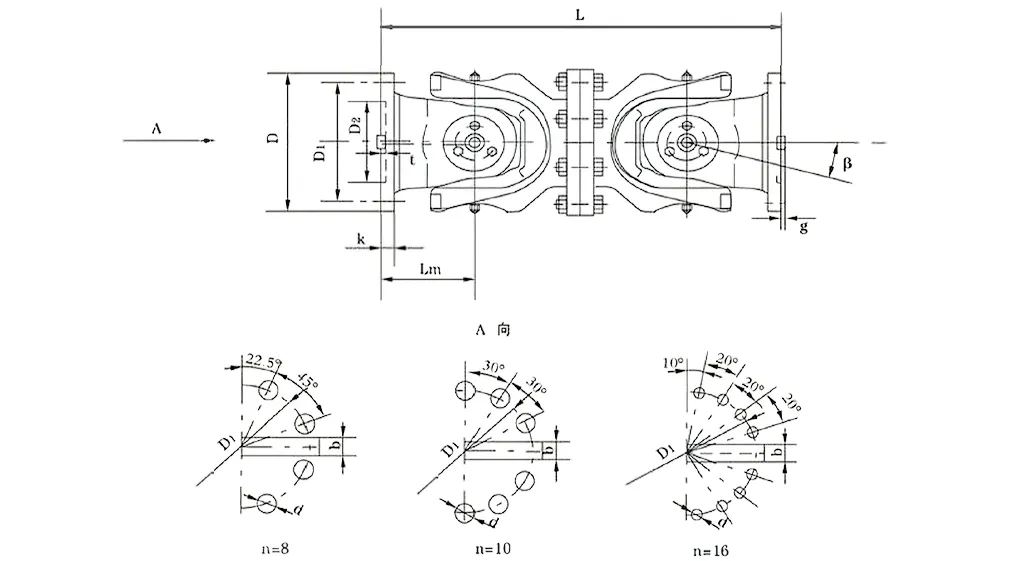
| নং নং | গাইরেশন ব্যাস d মিমি | নামমাত্র টর্ক টিএন কেএন · মি | অক্ষগুলি ভাঁজ কোণ β (°) | ক্লান্ত টর্ক টিএফ কেএন · মি | আকার (মিমি) | ওজন (কেজি) | |||||||||
| এলএমin | ডি 1 (জেএস 11) | ডি 2 (এইচ 7) | এলএম | এন-ডি | k | t | b (এইচ 9) | g | এলএমin | বৃদ্ধি 100 মিমি | |||||
| SWC180WD | 180 | 12.5 | 6.3 | ≤25 | 440 | 155 | 105 | 110 | 8-17 | 17 | 5 | - | - | 0.145 | 52 |
| SWC225WD | 225 | 40 | 20 | ≤15 | 480 | 196 | 135 | 120 | 8-17 | 20 | 5 | 32 | 9.0 | 0.355 | 82 |
| SWC250WD | 250 | 63 | 31.5 | 560 | 218 | 150 | 140 | 8-19 | 25 | 6 | 40 | 12.5 | 0.831 | 127 | |
| SWC285WD | 285 | 90 | 45 | 640 | 245 | 170 | 160 | 8-21 | 27 | 7 | 40 | 15.0 | 1.715 | 189 | |
| SWC315WD | 315 | 125 | 63 | 720 | 280 | 185 | 180 | 10-23 | 32 | 8 | 40 | 15.0 | 2.820 | 270 | |
| SWC350WD | 350 | 180 | 90 | 776 | 310 | 210 | 194 | 10-23 | 35 | 8 | 50 | 16.0 | 4.791 | 370 | |
| SWC390WD | 390 | 250 | 125 | 860 | 345 | 235 | 215 | 10-25 | 40 | 8 | 70 | 18.0 | 8.229 | 524 | |
| SWC440WD | 440 | 355 | 180 | 1040 | 390 | 255 | 260 | 16-28 | 42 | 10 | 80 | 20.0 | 15.320 | 798 | |
| SWC490WD | 490 | 500 | 250 | 1080 | 435 | 275 | 270 | 16-31 | 47 | 12 | 90 | 22.5 | 25.740 | 1055 | |
| SWC550WD | 550 | 710 | 355 | 1220 | 492 | 320 | 305 | 16-31 | 50 | 12 | 100 | 22.5 | 46.780 | 1524 | |
| SWC620WD | 620 | 1000 | 500 | 1360 | 555 | 380 | 340 | 10-38 | 55 | 12 | 100 | 25.0 | 83.760 | 2120 | |
* 1। টিএফ-আন্ডার বিকল্পটি টর্ককে লোড করুন যা ক্লান্তি শক্তি অনুসারে অনুমতি দেয়।
রায়ডাফনের এসডাব্লুসি ইউনিভার্সাল জয়েন্ট কাপলিং - সাধারণত এসডাব্লুসিসি কার্ডান শ্যাফ্ট ইউনিভার্সাল জয়েন্ট কাপলিং বলা হয় - এটি কেবল একটি অংশ নয়; এটি ভারী শুল্ক শিল্পের ক্ষেত্রগুলিতে আবশ্যক, যেমন ঘূর্ণায়মান মিলগুলি, উত্তোলন সরঞ্জাম এবং সমস্ত ধরণের শক্ত ভারী যন্ত্রপাতি সেটআপগুলি। একটি উচ্চ-টর্ক ইউনিভার্সাল জয়েন্ট কাপলিং হিসাবে, এটি দুটি সংক্রমণ শ্যাফটকে সংযুক্ত করে একটি শক্ত কাজ করে যা পুরোপুরি সারিবদ্ধ হয় না, নিশ্চিত করে যে কার্যকারিতা সত্যই কঠোর হলেও শক্তিটি সুচারুভাবে সরবরাহ করা হয়।
আসুন এর মূল চশমা সম্পর্কে কথা বলি: জাইরেশন ব্যাস φ58 থেকে φ620 পর্যন্ত, নামমাত্র টর্ক 0.15 থেকে 1000 কেএন · এম পর্যন্ত যায় এবং অক্ষের ভাঁজ কোণটি 25 ° এর বেশি নয় °
এই কাপলিং নির্দিষ্ট স্পটগুলিতে সবচেয়ে ভাল কাজ করে-যেমন আপনার যখন রোলিং মিল অপারেশনগুলির জন্য নির্ভরযোগ্য ভারী শুল্ক ইউনিভার্সাল জয়েন্ট কাপলিং, বা উত্তোলন এবং উপাদান হ্যান্ডলিং সরঞ্জামগুলিতে একটি টেকসই এসডাব্লুসি ইউনিভার্সাল জয়েন্ট শ্যাফ্ট কাপলিংয়ের প্রয়োজন হয়। এই ক্ষেত্রে, এটি তার শক্তি প্রদর্শন করে: এমনকি বড় চাপের মধ্যেও এটি অপারেশনগুলিকে স্থির রাখে, কোনও জগাখিচুড়ি বা ভাঙ্গন করে না।
রায়ডাফনের এসডাব্লুসি ইউনিভার্সাল জয়েন্ট কাপলিং কেবল একসাথে নিক্ষেপ করা হয় না-এটি দুর্দান্ত কাজ করার জন্য এবং শিল্প ব্যবহারে দীর্ঘ সময় ধরে রাখার জন্য স্মার্ট, আপ-টু-ডেট ইঞ্জিনিয়ারিংয়ের সাথে নির্মিত। এর কাঠামোটি কী আলাদা করে তোলে তা দিয়ে চলুন।
প্রথমত, এটির একটি যুক্তিসঙ্গত এবং নিরাপদ কনফিগারেশন রয়েছে: আমরা এই শিল্প ইউনিভার্সাল যৌথ কাপলিংয়ের জন্য একটি ইন্টিগ্রেটেড কাঁটাচামচ হেড ডিজাইন ব্যবহার করেছি, যা বোল্টগুলি আলগা বা ভাঙ্গার মতো ঝুঁকিগুলি হ্রাস করে। এই টুইট একা এটিকে সামগ্রিকভাবে 30% -50% স্টুরডিয়ার করে তোলে, তাই এটি নিরাপদে এবং ধারাবাহিকভাবে চলে। নিয়মিত কাপলিংয়ের সাথে তুলনা করে, এটি দীর্ঘকাল স্থায়ী হয় এবং এটি উচ্চ-টান স্পটগুলিতে সাধারণ সমস্যাগুলি এড়ায়-যেমন ভারী যন্ত্রপাতি ইউনিভার্সাল জয়েন্ট কাপলিং সিস্টেমগুলি আপনি কঠোর চাকরিতে দেখেন।
তারপরে এর বর্ধিত লোড-ভারবহন ক্ষমতা রয়েছে: এই এসডাব্লুসি ভারী শুল্ক ইউনিভার্সাল জয়েন্ট কাপলিং বড় ওজন পরিচালনা করার জন্য তৈরি করা হয়েছে, সুতরাং এটি এমন জায়গাগুলিতে আবশ্যক যেগুলি খনন গিয়ার বা নির্মাণ মেশিনগুলির মতো শীর্ষস্থানীয় লোড হ্যান্ডলিংয়ের প্রয়োজন।
এটি উচ্চ সংক্রমণ দক্ষতাও হিট করে - 98.6%পর্যন্ত। বৃহত বিদ্যুৎ সংক্রমণের জন্য একটি দক্ষ ইউনিভার্সাল যৌথ সংযোগ হিসাবে, এটি শক্তি ব্যবহার এবং এটির সাথে যে ব্যয়গুলি আসে তা স্ল্যাশ করে। এজন্য এটি উচ্চ-শক্তি শিল্প সংক্রমণ সেটআপগুলিতে শক্তি-সঞ্চয়কারী সর্বজনীন যৌথ কাপলিং সমাধানগুলির জন্য শীর্ষ বাছাই।
এবং এটি কম শব্দের সাথে মসৃণ হয়: সংক্রমণ স্থির থাকে এবং শব্দটি সাধারণত 30-40 ডিবি (এ) এর মধ্যে ঘুরে বেড়ায়। এই নিম্ন-শব্দের ইউনিভার্সাল জয়েন্ট কাপলিং অপারেশনগুলিকে শান্ত রাখে, যা শিল্প স্পটগুলির জন্য উপযুক্ত যেখানে শব্দটি একটি সমস্যা-সমস্ত কিছু উচ্চ স্তরে নির্ভরযোগ্যতা রাখার সময়।
⭐⭐⭐⭐⭐ জাং ওয়েই, চিফ ইঞ্জিনিয়ার, হেনান মাইনিং সরঞ্জাম কোং, লিমিটেড।
আমরা আমাদের খনির যন্ত্রপাতিগুলিতে ফ্লেক্স ফ্ল্যাঞ্জ টাইপ ইউনিভার্সাল কাপলিং ছাড়াই রায়ডাফনের এসডাব্লুসি-ডাব্লুডি শর্ট রাখছি এবং এটি একটি উপযুক্ত ফিট। এর কমপ্যাক্ট ডিজাইনটি কেবল আমাদের শক্ত জায়গাগুলির জন্য যা প্রয়োজন সেখানে যেখানে খুব বেশি জায়গা নেই, এবং বিল্ডটি অপারেশনগুলিকে স্থির রাখতে যথেষ্ট শক্ত। এমনকি যখন এটি ভারী শুল্কের শর্তে ননস্টপ চালাচ্ছে, তখনও এই কাপলিং আমাদের কখনই হতাশ করতে দেয় না-কোনও ব্যর্থতা মোটেই নয়। আমাদের রক্ষণাবেক্ষণ দলটি পছন্দ করে যে এটির সবেমাত্র চেক ইন করা দরকার, যার অর্থ আমরা অতিরিক্ত ঝামেলা ছাড়াই উত্পাদন সুচারুভাবে চলমান রাখতে পারি।
⭐⭐⭐⭐⭐ মাইকেল ব্রাউন, অপারেশন ম্যানেজার, টেক্সাস স্টিল ওয়ার্কস, মার্কিন যুক্তরাষ্ট্র
আমাদের টেক্সাস ওয়ার্কশপ রায়ডাফনের কাছ থেকে ফ্লেক্স ফ্ল্যাঞ্জ টাইপ ইউনিভার্সাল কাপলিং ছাড়াই এসডাব্লুসিসি-ডাব্লুডি শর্টকে অর্ডার করেছে এবং সত্যই, গুণটি আমাদের উড়িয়ে দিয়েছে। কাপলিংগুলি সত্যিই ভালভাবে মেশিন করা হয়, সেগুলি ইনস্টল করা একটি সিঞ্চ এবং তারা লোডের নিচে থাকা সত্ত্বেও নির্ভরযোগ্যভাবে ধরে রাখে। আমার কাছে সবচেয়ে বেশি কী আটকে আছে? এটি দাম এবং পারফরম্যান্সকে কতটা ভারসাম্যপূর্ণ করে - আপনি প্রায়শই সেই মিষ্টি স্পটটি খুঁজে পান না। একটি সরবরাহকারী যা ধারাবাহিকভাবে এই স্তরের মানের সরবরাহ করে তা সন্ধান করা সহজ নয়, তবে রায়ডাফোন একেবারে প্রমাণিত হয়েছে যে তারা আমাদের জন্য একটি বিশ্বাসযোগ্য অংশীদার।
⭐⭐⭐⭐⭐ আনা মুলার, রক্ষণাবেক্ষণ সুপারভাইজার, বার্লিন শিল্প সমাধান, জার্মানি
আমরা আমাদের বার্লিন সরঞ্জাম লাইনে ফ্লেক্স ফ্ল্যাঞ্জ টাইপ ইউনিভার্সাল কাপলিং ছাড়াই রায়ডাফনের এসডাব্লুসি-ডাব্লুডি সংক্ষিপ্ত রেখেছি এবং ফলাফলগুলি দুর্দান্ত হয়েছে। পণ্যটি নিজেই রক-সলিড অনুভব করে, ld ালাই সুনির্দিষ্ট-এখানে কোনও খুব খারাপ কাজ নয়-এবং এখনও অবধি, এটি শীর্ষস্থানীয় স্থায়িত্ব দেখিয়ে সত্যিই ভালভাবে ধরেছে। আমরা এখানে ইউরোপে ব্যবহার করেছি এমন কয়েকটি ব্র্যান্ডের তুলনায়, এই কাপলিংটি আরও নির্ভরযোগ্য এবং দামটি আরও প্রতিযোগিতামূলকও। যদি অন্য সংস্থাগুলি নির্ভরযোগ্য ইউনিভার্সাল কাপলিংগুলির সন্ধান করে তবে আমি একেবারে রায়ডাফনের সুপারিশ করব।
রায়ডাফনের এসডাব্লুসি-ডব্লিউডি সংক্ষিপ্ত ফ্লেক্স ফ্ল্যাঞ্জ টাইপ ইউনিভার্সাল কাপলিং-প্রায়শই এসডাব্লুসি কার্ডান শ্যাফ্ট ইউনিভার্সাল জয়েন্ট কাপলিং নামে পরিচিত-এটি শক্ত শিল্প স্পটগুলির জন্য নির্মিত, যেখানে স্থান সীমাবদ্ধ এবং আপনার একটি নির্দিষ্ট দৈর্ঘ্যের নকশা প্রয়োজন (কোনও টেলিস্কোপিক এক্সটেনশন নেই)। একটি উচ্চ-টর্ক ইউনিভার্সাল জয়েন্ট কাপলিং হিসাবে, এটি শ্যাফ্টগুলির মধ্যে দক্ষতার সাথে টর্ককে সরিয়ে দেয় যা প্রান্তিক নয়, 25 ডিগ্রি পর্যন্ত কৌণিক বিচ্যুতি পরিচালনা করে এবং এটি ভারী শুল্কের পরিবেশেও নির্ভরযোগ্য থাকে।
আসুন এর মূল বৈশিষ্ট্যগুলি সম্পর্কে কথা বলা যাক: এটিতে একটি কমপ্যাক্ট এবং অনমনীয় কাঠামো রয়েছে-এই সংক্ষিপ্ত, অ-নমনীয় ফ্ল্যাঞ্জ সেটআপ এটিকে রোলিং মিল অপারেশনগুলির জন্য একটি নির্ভরযোগ্য ভারী শুল্ক ইউনিভার্সাল জয়েন্ট কাপলিং করে তোলে, সেটআপগুলিতে অতিরিক্ত স্থিতিশীলতা দেয় যেখানে অক্ষীয় চলাচল ন্যূনতম। এজন্য এটি শক্ত যন্ত্রপাতিগুলিতে স্থির-দূরত্বের সংযোগের জন্য এত ভাল কাজ করে। তারপরে এর উচ্চ লোড-ভারবহন ক্ষমতা রয়েছে: আমরা এটি তৈরি করতে কাস্ট আয়রন বা অ্যালো স্টিলের মতো শক্ত উপকরণ ব্যবহার করি, সুতরাং এটি উত্তোলন এবং উপাদান হ্যান্ডলিং সরঞ্জামগুলিতে একটি টেকসই এসডাব্লুসি ইউনিভার্সাল জয়েন্ট শ্যাফ্ট কাপলিং। এটি বড় ওজন ধারণ করে এবং একই ব্যাসের অন্যান্য কাপলিংয়ের তুলনায় আরও বেশি টর্ক প্রেরণ করে, যা এটি খনির বা নির্মাণ গিয়ারে ভারী বোঝার জন্য উপযুক্ত করে তোলে।
এই শিল্প ইউনিভার্সাল জয়েন্ট কাপলিংও মিসিলাইনমেন্টের জন্য সত্যিই ভাল ক্ষতিপূরণ দেয় - এটি কৌণিক, সমান্তরাল বা অক্ষীয় মিসিলাইনমেন্ট হোক না কেন, এটি ঘূর্ণন গতি বা টর্ক স্থানান্তর নিয়ে গোলযোগ করে না। এর অর্থ ভারী যন্ত্রপাতি ইউনিভার্সাল জয়েন্ট কাপলিং সিস্টেমগুলিতে মসৃণ অপারেশন। এবং এটি পাওয়ার ট্রান্সমিশনে দক্ষ: 98.6% দক্ষতা পর্যন্ত আঘাত করা, এই এসডাব্লুসিসি ভারী শুল্ক ইউনিভার্সাল জয়েন্ট কাপলিং শক্তি হ্রাসকে কম রাখে, এটি উচ্চ-শক্তি শিল্প সেটআপগুলিতে বৃহত বিদ্যুৎ সংক্রমণের জন্য একটি দক্ষ সর্বজনীন যৌথ সংযোগ তৈরি করে।
এছাড়াও, এটি শক্তি সঞ্চয় এবং শান্ত চালানোর জন্য ডিজাইন করা হয়েছে-যদি আপনার শক্তি সঞ্চয়কারী ইউনিভার্সাল যৌথ কাপলিং সমাধানগুলির প্রয়োজন হয় তবে এটি একটি শীর্ষ বাছাই, অপারেশনাল ব্যয় কাটানো। এবং এটি 30-40 ডিবি (এ) এর মধ্যে শব্দ রাখে, সুতরাং এই নিম্ন-শব্দের সর্বজনীন যৌথ কাপলিং শিল্প স্পটগুলিতে ঠিক ফিট করে যেখানে শব্দটি উদ্বেগজনক।
এই কাপলিংটি নির্দিষ্ট পরিস্থিতিতে সত্যই জ্বলজ্বল করে-যেমন আপনার যখন রোলিং মিল অপারেশনগুলির জন্য একটি নির্ভরযোগ্য ভারী শুল্ক ইউনিভার্সাল জয়েন্ট কাপলিং, বা উত্তোলন এবং উপাদান হ্যান্ডলিং সরঞ্জামগুলিতে একটি টেকসই এসডাব্লুসি ইউনিভার্সাল জয়েন্ট শ্যাফ্ট কাপলিংয়ের প্রয়োজন হয়। এই ক্ষেত্রে, এমনকি চরম বোঝা এবং সীমিত স্থান সহ, এটি অপারেশনগুলিকে স্থিতিশীল রাখে, কোনও হিচাপ নেই।
যখন এটি শিল্প ইউনিভার্সাল জয়েন্ট কাপলিং অ্যাপ্লিকেশনগুলির কথা আসে, তখন আমাদের এসডাব্লুসি-ডাব্লুডি বৈকল্পিক স্মার্ট ইঞ্জিনিয়ারিংয়ের সাথে দাঁড়িয়ে থাকে যা এটি আরও ভাল এবং দীর্ঘস্থায়ী করে তোলে। আসুন এর মূল কাঠামো সম্পর্কে কথা বলা যাক: এটির একটি যুক্তিসঙ্গত, নিরাপদ সেটআপ রয়েছে যা একটি ইন্টিগ্রেটেড কাঁটাচামচ হেড ডিজাইনের সাথে-এটি বোল্টগুলি loose িলে .ালা বা ভাঙ্গার মতো সমস্যাগুলি থেকে মুক্তি পায়, সামগ্রিক শক্তি 30%-50%বাড়িয়ে তোলে। এর অর্থ এটি নিরাপদে এবং নির্ভরযোগ্যভাবে চলে, পুরানো স্টাইলের মডেলগুলির চেয়ে দীর্ঘস্থায়ী হয় এবং ভারী যন্ত্রপাতি ইউনিভার্সাল জয়েন্ট কাপলিং সিস্টেমের মতো উচ্চ-চাপের জায়গাগুলিতে সাধারণ ভাঙ্গন এড়ায়।
এছাড়াও, এটি আরও বেশি লোড পরিচালনা করতে পারে-আমরা এটি ভারী ওজনকে সমর্থন করার জন্য তৈরি করেছি, সুতরাং এই এসডাব্লুসি ভারী শুল্ক ইউনিভার্সাল জয়েন্ট কাপলিং এমন জায়গাগুলির জন্য উপযুক্ত যেখানে খনন বা নির্মাণ সরঞ্জামের মতো শক্ত লোড হ্যান্ডলিংয়ের প্রয়োজন। এটি 98.6% ট্রান্সমিশন দক্ষতা পর্যন্ত হিট করে দক্ষতার সাথে দক্ষতার সাথে শক্তিও সরিয়ে দেয়। বৃহত বিদ্যুৎ সংক্রমণের জন্য একটি দক্ষ ইউনিভার্সাল জয়েন্ট মিলন হিসাবে, এটি শক্তি ব্যবহার এবং এটির সাথে যে ব্যয়গুলি আসে তা হ্রাস করে, এটি উচ্চ-শক্তি শিল্প সংক্রমণ সেটআপগুলিতে শক্তি-সঞ্চয়কারী সর্বজনীন যৌথ কাপলিং সমাধানগুলির জন্য শীর্ষ বাছাই করে তোলে।
এবং এটি সবেমাত্র কোনও শব্দের সাথে মসৃণ হয়-ট্রান্সমিশন স্থির থাকে এবং শব্দটি সাধারণত 30-40 ডিবি (এ) এর মধ্যে থাকে। এই নিম্ন-শব্দের ইউনিভার্সাল জয়েন্ট কাপলিং অপারেশনগুলিকে শান্ত রাখে, যা শিল্প স্পটগুলির জন্য উপযুক্ত যেখানে শব্দটি একটি সমস্যা, সমস্তই উচ্চ স্তরে নির্ভরযোগ্যতা রাখার সময়।
রায়ডাফন সংক্রমণ অংশগুলিতে কেবল অন্য নাম নয়-আমরা উচ্চ-পারফরম্যান্স ট্রান্সমিশন উপাদান এবং শিল্প যন্ত্রপাতি সমাধানের শীর্ষস্থানীয় প্রস্তুতকারক এবং সরবরাহকারী এবং আমরা এসডাব্লুসিসি কার্ডান শ্যাফ্ট ইউনিভার্সাল জয়েন্ট কাপলিংয়ের মতো পণ্যগুলিতে তীব্র ফোকাস পেয়েছি। আমরা বিশ্বব্যাপী শিল্পগুলিকে বিকশিত হওয়ার সাথে সাথে কী প্রয়োজন তা ধরে রাখতে শুরু করেছি এবং সময়ের সাথে সাথে আমরা একটি সম্পূর্ণ লাইনআপ তৈরি করেছি: গিয়ারবক্স, ড্রাইভ শ্যাফটস, হাইড্রোলিক সিলিন্ডার, পুলি, যথার্থ মেশিন সরঞ্জামগুলি-সমস্ত কৃষি এবং ভারী শুল্ক খাতগুলি কতটা ভাল চালায় তা উত্সাহিত করার জন্য তৈরি। আমরা উদ্ভাবনের ক্ষেত্রে বড়, এ কারণেই আমরা রোলিং মিল অপারেশনগুলির জন্য নির্ভরযোগ্য ভারী শুল্ক ইউনিভার্সাল জয়েন্ট কাপলিং সরবরাহ করতে পারি যা কোনও বাধা ছাড়াই এমনকি সবচেয়ে জটিল সিস্টেমেও ফিট করে।
আমাদের সুবিধাগুলিও শীর্ষস্থানীয়-আমরা সিএনসি ওয়ার্কশপ, গ্রাইন্ডিং এবং হিট ট্রিটমেন্ট গিয়ার এবং উন্নত 3 ডি পরিমাপ সিস্টেম পেয়েছি। আমরা আইএসও 9001/টিএস 16949 এর মতো কঠোর মানের মানের সাথে লেগে থাকি এবং সেই সেটআপটি আমাদের উচ্চ-টর্ক ইউনিভার্সাল জয়েন্ট কাপলিং সমাধানগুলি তৈরি করতে দেয় যা টর্ককে দুর্দান্ত স্থানান্তরিত করে এবং প্রো এর মতো মিস্যালাইনমেন্ট পরিচালনা করে। উত্তোলন এবং উপাদান হ্যান্ডলিং সরঞ্জামগুলিতে আমাদের টেকসই এসডাব্লুসি ইউনিভার্সাল জয়েন্ট শ্যাফ্ট কাপলিং নিন, উদাহরণস্বরূপ-এটি এমন জায়গাগুলির জন্য নির্মিত যা শক্ত লোড বহনকারী শক্তি প্রয়োজন। এবং আমাদের শিল্প ইউনিভার্সাল যৌথ কাপলিং লাইন? এটি সমস্ত ধরণের ব্যবহারকে কভার করে যেখানে নির্ভুলতা এবং দৃ urd ়তা সবচেয়ে বেশি গুরুত্বপূর্ণ।
আমরা যা করি তার আশি শতাংশ রফতানি হয় - মার্কিন যুক্তরাষ্ট্র, জার্মানি, জাপান, ইতালি, মালয়েশিয়া, অস্ট্রেলিয়া এবং মধ্য প্রাচ্যের মতো জায়গাগুলিতে। আমরা চীন, দক্ষিণ কোরিয়া, যুক্তরাজ্য, সিঙ্গাপুর, মার্কিন যুক্তরাষ্ট্র এবং স্পেনেও শক্তিশালী নেটওয়ার্ক পেয়েছি, তাই আমরা বিশ্বব্যাপী শক্ত। এই পৌঁছনো আমাদের কাস্টমাইজড এসডাব্লুসিসি ভারী শুল্ক ইউনিভার্সাল জয়েন্ট কাপলিং বিকল্পগুলি অফার করতে দেয়-ক্লায়েন্টদের যা প্রয়োজন তা ঠিক তেমনভাবে চিহ্নিত করা হয়, যেমন ভারী যন্ত্রপাতি ইউনিভার্সাল জয়েন্ট কাপলিং সিস্টেমগুলির মতো যেখানে চরম লোডের অধীনে স্থিতিশীল থাকা অ-আলোচনাযোগ্য।
আমরা টেকসইতা এবং সমাধানগুলি তৈরি করার বিষয়ে যত্নশীল যা গ্রাহকদের প্রথমে রাখে। এজন্য আমরা শক্তি-সঞ্চয়কারী ইউনিভার্সাল জয়েন্ট কাপলিং সমাধানগুলি বিকাশ করি যা 98.6% সংক্রমণ দক্ষতা পর্যন্ত আঘাত করে-উচ্চ-শক্তি সেটআপগুলিতে শক্তি ব্যবহার করা। আপনার বৃহত বিদ্যুৎ সংক্রমণের জন্য একটি দক্ষ ইউনিভার্সাল জয়েন্ট কাপলিং বা শিল্প স্পটগুলির জন্য একটি স্বল্প-শব্দের সর্বজনীন যৌথ কাপলিংয়ের প্রয়োজন যেখানে গোলমাল সমস্যা, আমাদের পণ্যগুলি সম্পূর্ণ বিক্রয়-পরিষেবা পরিষেবা নিয়ে আসে। এভাবেই আমরা সংক্রমণ শিল্পে বিশ্বস্ত অংশীদার হয়ে উঠি - আমরা কেবল অংশ বিক্রি করি না, আমরা সেগুলি ব্যাক আপ করি।
ঠিকানা
লুওটুও শিল্প অঞ্চল, ঝেনহাই জেলা, নিংবো সিটি, চীন
টেলিফোন
ই-মেইল


+86-574-87168065


লুওটুও শিল্প অঞ্চল, ঝেনহাই জেলা, নিংবো সিটি, চীন
কপিরাইট © রায়ডাফোন টেকনোলজি গ্রুপ কোং, সীমাবদ্ধ সমস্ত অধিকার সংরক্ষিত।
Links | Sitemap | RSS | XML | গোপনীয়তা নীতি |
