QR কোড
পণ্য
যোগাযোগ করুন


ফ্যাক্স
+86-574-87168065

ই-মেইল

ঠিকানা
লুওটুও শিল্প অঞ্চল, ঝেনহাই জেলা, নিংবো সিটি, চীন
রায়ডাফনের এসডাব্লুসি-ডিএইচ শর্ট ফ্লেক্স ওয়েল্ডিং টাইপ ইউনিভার্সাল কাপলিংটি ভারী শুল্ক গিয়ারে ভুলভাবে চিহ্নিত শ্যাফ্টগুলি সংযুক্ত করার জন্য নির্মিত-ভাবা ঘূর্ণায়মান মিল, উত্তোলন এবং ইস্পাত প্রক্রিয়াকরণ মেশিনগুলিকে ভাবেন। এটি একটি কমপ্যাক্ট শর্ট ফ্লেক্স ইউনিভার্সাল কাপলিং, 45 মিমি থেকে 390 মিমি পর্যন্ত গাইরেশন ব্যাস সহ। এমনকি যখন শ্যাফ্টগুলি 25 ডিগ্রি পর্যন্ত (কৌণিক মিস্যালাইনমেন্ট) দ্বারা বন্ধ থাকে, তখনও এটি টর্ককে দক্ষতার সাথে সরিয়ে দেয় - 1000 কেএন · এম এ তৈরি করে, যা ভারী সরঞ্জামের বিদ্যুতের প্রয়োজনের সাথে সরাসরি ফিট করে।
আমরা এটি উচ্চ-শক্তি 35crmo ইস্পাত দিয়ে তৈরি করি এবং চারটি সুই বিয়ারিং যুক্ত করি, তাই এটি ভারী লোডের নীচে ধরে রাখে। এজন্য এটি শিল্প যন্ত্রপাতি ইউনিভার্সাল কাপলিংসের জন্য একটি শক্ত বাছাই, এবং ভারী সরঞ্জামগুলি ঝালাই করা ইউনিভার্সাল কাপলিং হিসাবে দুর্দান্ত কাজ করে যেখানে লোডগুলি উচ্চ ননস্টপ থাকে। এর শর্ট-ফ্লেক্স ডিজাইনটি অক্ষীয় চলাচলের জন্য খুব কম ঘর সহ মেশিনগুলির জন্য উপযুক্ত, এটি শক্ত শিল্প স্থানগুলির জন্য একটি শক্ত সংক্রমণ স্থির করে।
আইএসও 9001 শংসাপত্র সহ রায়ডাফনের একটি চীন ভিত্তিক প্রস্তুতকারক, তাই আমরা প্রতিটি এসডাব্লুসি-ডিএইচ ইউনিভার্সাল কাপলিংয়ের জন্য কঠোর মানের নিয়মের সাথে লেগে থাকি। ক্রস শ্যাফ্ট জারা লড়াই করার জন্য একটি ক্রোম প্লেট পায়, তাই শর্তগুলি কঠোর হলেও এটি স্থায়ী হয়। ঝালাই জোয়াল ইনস্টলেশনটিকে আরও সহজ করে তোলে - কেবল শ্যাফটগুলি সরাসরি লাইন করে এবং এটি সর্বোত্তমভাবে কাজ করে। আপনি এটি ধাতববিদ্যুৎ, খনন এবং ক্রেন সিস্টেমগুলিতে গিয়ারে খুঁজে পাবেন, কোনও সমস্যা নেই।
এছাড়াও, এই কাপলিং বিভিন্ন আকার এবং টর্ক রেটিংয়ে আসে। আপনার যদি শিল্প যন্ত্রপাতিগুলির জন্য একটি কাস্টম ইউনিভার্সাল কাপলিংয়ের প্রয়োজন হয় - তবে, ফসল কাটার বা অন্যান্য নির্দিষ্ট গিয়ারের জন্য - আমরা এটিকে আপনার প্রয়োজনের সাথে সজ্জিত করতে পারি এবং দামটি প্রতিযোগিতামূলক থাকে। আমরা এই সংক্ষিপ্ত ফ্লেক্স কাপলিংকে সরঞ্জাম ডাউনটাইমকে কেটে ফেলার জন্য কীভাবে উত্পাদন জানি তা পেয়েছি, সুতরাং আপনার মেশিনগুলি সামগ্রিকভাবে আরও নির্ভরযোগ্যভাবে চালিত হয়।
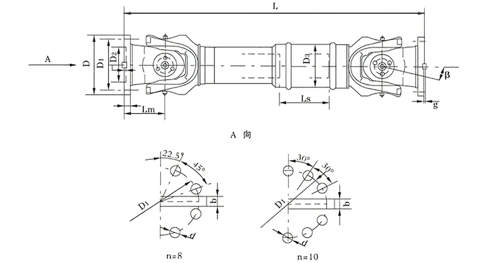
| নং নং | গাইরেশন ব্যাস d মিমি | নামমাত্র টর্ক টিএন কেএন · মি | অক্ষগুলি ভাঁজ কোণ β (°) | ক্লান্ত টর্ক টিএফ কেএন · মি | ফ্লেক্স পরিমাণ এলএস মিমি | আকার (মিমি) | জড়তা ঘোরানো কেজিএম2 | ওজন (কেজি) | |||||||||||
| এলএমin | ডি 1 (জেএস 11) | ডি 2 (এইচ 7) | ডি 3 | এলএম | এন-ডি | k | t | b (এইচ 9) | g | এলএমin | বৃদ্ধি 100 মিমি | এলএমin | বৃদ্ধি 100 মিমি | ||||||
| SWC180DH1 | 180 | 20 | 10 | ≤25 | 75 | 650 | 155 | 105 | 114 | 110 | 8-17 | 17 | 5 | - | - | 0.165 | 0.0070 | 58 | 2.8 |
| SWC180DH2 | 55 | 600 | 0.162 | 56 | |||||||||||||||
| SWC180DH3 | 40 | 550 | 0.160 | 52 | |||||||||||||||
| SWC225DH1 | 225 | 40 | 20 | ≤15 | 85 | 710 | 196 | 135 | 152 | 120 | 20 | 5 | 32 | 9.0 | 0.415 | 0.0234 | 95 | 4.9 | |
| SWC225DH2 | 70 | 640 | 0.397 | 92 | |||||||||||||||
| SWC250DH1 | 250 | 63 | 31.5 | ≤15 | 100 | 795 | 218 | 150 | 168 | 140 | 8-19 | 25 | 6 | 40 | 12.5 | 0.900 | 0.0277 | 148 | 5.3 |
| SWC250DH2 | 70 | 735 | 0.885 | 136 | |||||||||||||||
| SWC285dh1 | 285 | 90 | 45 | ≤15 | 120 | 950 | 245 | 170 | 194 | 160 | 8-21 | 27 | 7 | 40 | 15.0 | 1.876 | 0.0510 | 229 | 6.3 |
| SWC285dh2 | 80 | 880 | 1.801 | 221 | |||||||||||||||
| SWC315DH1 | 315 | 125 | 63 | ≤15 | 130 | 1070 | 280 | 185 | 219 | 180 | 10-23 | 32 | 8 | 40 | 15.0 | 3.331 | 0.0795 | 346 | 8.0 |
| SWC315DH2 | 90 | 980 | 3.163 | 334 | |||||||||||||||
| SWC350DH1 | 350 | 180 | 90 | ≤15 | 140 | 1170 | 310 | 210 | 267 | 194 | 10-23 | 35 | 8 | 50 | 16.0 | 6.215 | 0..2219 | 508 | 15.0 |
| SWC350DH2 | 90 | 1070 | 5.824 | 485 | |||||||||||||||
| SWC390dh1 | 390 | 250 | 125 | ≤15 | 150 | 1300 | 345 | 235 | 267 | 215 | 10-25 | 40 | 8 | 70 | 18.0 | 11.125 | 0.2219 | 655 | |
| SWC390dh2 | 90 | 1200 | 10.763 | 600 | |||||||||||||||
* 1। টিএফ-আন্ডার বিকল্পটি টর্ককে লোড করুন যা ক্লান্তি শক্তি অনুসারে অনুমতি দেয়। * 2। lmin- কাটার পরে কমপক্ষে দৈর্ঘ্য। * 3। এল-ইনস্টল দৈর্ঘ্য, যা প্রয়োজনীয়তা অনুসারে হয়
এসডাব্লুসিসি ইউনিভার্সাল জয়েন্ট কাপলিং, প্রায়শই এসডাব্লুসিসি কার্ডান শ্যাফ্ট ইউনিভার্সাল জয়েন্ট কাপলিং নামে পরিচিত, ভারী শুল্ক শিল্পের দৃশ্যের মূল উপাদান। এটি ঘূর্ণায়মান মিলগুলি, উত্তোলন যন্ত্রপাতি এবং বিভিন্ন বৃহত আকারের ভারী যন্ত্রপাতি সিস্টেমের জন্য অপরিহার্য। একটি উচ্চ-টর্ক ইউনিভার্সাল জয়েন্ট কাপলিং হিসাবে, এটি কার্যকরভাবে দুটি সংক্রমণ শ্যাফটকে অ-কাকতালীয় অক্ষের সাথে সংযুক্ত করতে পারে, এমনকি জটিল এবং কঠোর কাজের অবস্থার অধীনে নিরবচ্ছিন্ন শক্তি সংক্রমণ নিশ্চিত করে।
এই কাপলিংয়ের মূল প্রযুক্তিগত পরামিতিগুলি নিম্নরূপ:
গাইরেশন ব্যাস: φ58 - φ620
নামমাত্র টর্ক: 0.15 - 1000 কেএন · মি
অক্ষ ভাঁজ কোণ: ≤25 °
ব্যবহারিক অ্যাপ্লিকেশনগুলিতে, এটি ব্যতিক্রমীভাবে ভাল সম্পাদন করে। উদাহরণস্বরূপ, রোলিং মিল অপারেশনগুলির সময়, যখন একটি নির্ভরযোগ্য ভারী শুল্ক ইউনিভার্সাল জয়েন্ট কাপলিং রোলিং মিলগুলিতে উত্সর্গীকৃত হয়, বা উত্তোলন এবং উপাদান হ্যান্ডলিং সরঞ্জামগুলিতে, যখন একটি টেকসই এসডাব্লুসিসি ইউনিভার্সাল জয়েন্ট শ্যাফ্ট কাপলিং প্রয়োজন হয়, তখন এই পণ্যটি সম্পূর্ণ সক্ষম। এমনকি ভারী লোডের অধীনে, এটি সরঞ্জামগুলির অপারেশনাল স্থিতিশীলতা স্থিরভাবে বজায় রাখতে পারে।
এসডাব্লুসি ইউনিভার্সাল জয়েন্ট কাপলিং উন্নত ইঞ্জিনিয়ারিং নীতিগুলি ব্যবহার করে ডিজাইন করা হয়েছে, শিল্প পরিবেশে ব্যতিক্রমী পারফরম্যান্স এবং দীর্ঘতর পরিষেবা জীবন সরবরাহ করে। এর প্রধান কাঠামোগত বৈশিষ্ট্যগুলি নিম্নরূপ:
যুক্তিসঙ্গত এবং নিরাপদ কাঠামো: একটি ইন্টিগ্রেটেড কাঁটাচামচ হেড ডিজাইনের বৈশিষ্ট্যযুক্ত, এই শিল্প ইউনিভার্সাল জয়েন্ট কাপলিং বল্টের আলগা বা ভাঙ্গনের ঝুঁকি হ্রাস করে, কাঠামোগত শক্তি 30%-50%বৃদ্ধি করে। এই নকশাটি নিরাপদ এবং নির্ভরযোগ্য অপারেশন নিশ্চিত করে, traditional তিহ্যবাহী মডেলের তুলনায় পরিষেবা জীবনকে প্রসারিত করে এবং ভারী যন্ত্রপাতি ইউনিভার্সাল জয়েন্ট কাপলিং সিস্টেমের মতো উচ্চ-চাপের পরিস্থিতিতে সাধারণ ব্যর্থতা প্রতিরোধ করে।
বর্ধিত লোড-ভারবহন ক্ষমতা: এসডাব্লুসি ভারী শুল্ক ইউনিভার্সাল জয়েন্ট কাপলিং বিশেষত ভারী বোঝা বহন করার জন্য ডিজাইন করা হয়েছে, এটি খনন বা নির্মাণ যন্ত্রপাতিগুলির মতো দুর্দান্ত লোড পরিচালনার জন্য প্রয়োজনীয় পরিস্থিতিতে প্রয়োজনীয় করে তোলে।
উচ্চ সংক্রমণ দক্ষতা: 98.6%পর্যন্ত দক্ষতার সাথে, উচ্চ-শক্তি সংক্রমণের জন্য এই দক্ষ ইউনিভার্সাল জয়েন্ট কাপলিং শক্তি খরচ এবং সম্পর্কিত ব্যয়কে উল্লেখযোগ্যভাবে হ্রাস করে, এটি উচ্চ-শক্তি শিল্প সংক্রমণ ব্যবস্থায় শক্তি-সঞ্চয়কারী সর্বজনীন যৌথ কাপলিং সমাধানগুলির জন্য প্রথম পছন্দ হিসাবে পরিণত করে।
কম শব্দের সাথে স্থিতিশীল অপারেশন: এই নিম্ন-শব্দের সর্বজনীন যৌথ কাপলিং শান্ত কর্মক্ষমতা নিশ্চিত করে সাধারণত 30-40 ডিবি (ক) এর মধ্যে শব্দের মাত্রা সহ স্থিরভাবে কাজ করে। উচ্চ নির্ভরযোগ্যতা বজায় রেখে শব্দ-সংবেদনশীল পরিবেশের জন্য এটি আদর্শ।
ইউনিভার্সাল জয়েন্ট কাপলিংস, বিশেষত এসডাব্লুসি কার্ডান শ্যাফ্ট ইউনিভার্সাল জয়েন্ট কাপলিং, তাদের অসামান্য সুবিধার কারণে শিল্প অ্যাপ্লিকেশনগুলিতে অপরিহার্য সংক্রমণ উপাদান হয়ে উঠেছে। তারা ভারী যন্ত্রপাতি, নির্ভুলতা উত্পাদন এবং শক্তি সংক্রমণ হিসাবে ক্ষেত্রে তাদের পারফরম্যান্স সহ মূল চাহিদা পূরণ করতে পারে। নীচে তাদের মূল সুবিধাগুলির বিশদ বিশ্লেষণ রয়েছে:
1। শক্তিশালী টর্ক ট্রান্সমিশন এবং দুর্দান্ত মিসিলাইনমেন্ট ক্ষতিপূরণ
একটি উচ্চ-টর্ক ইউনিভার্সাল জয়েন্ট কাপলিং হিসাবে, এটি উচ্চ-শক্তি লোডগুলি স্থিরভাবে প্রেরণ করতে পারে। এমনকি এমন পরিস্থিতিতে যেখানে শ্যাফ্ট মিসালাইনমেন্টটি রোলিং মিল অপারেশনগুলির সময় প্রায়শই ঘটে-যেমন রোলার পরিধান এবং ইস্পাত রোলিংয়ের সময় তাপমাত্রা পরিবর্তনের কারণে অক্ষীয় অফসেট-এই নির্ভরযোগ্য ভারী শুল্ক ইউনিভার্সাল জয়েন্ট কাপলিং রোলিং মিল অপারেশনগুলির জন্য এটি সহজেই পরিচালনা করতে পারে। এটি একই সাথে কৌণিক, অক্ষীয় এবং রেডিয়াল মিসিলাইনমেন্টগুলির জন্য ক্ষতিপূরণ দিতে পারে, সর্বোচ্চ 25 ডিগ্রি পর্যন্ত কৌণিক বিভ্রান্তি সহ। এই দুর্দান্ত মিসিলাইনমেন্ট অভিযোজনযোগ্যতা শ্যাফ্ট মিস্যালাইনমেন্টের কারণে সংক্রমণ জ্যামগুলিকে বাধা দেয়, অবিচ্ছিন্ন এবং স্থিতিশীল শক্তি সরবরাহ নিশ্চিত করে, চরম কাজের পরিস্থিতিতে যান্ত্রিক ব্যর্থতার সম্ভাবনা উল্লেখযোগ্যভাবে হ্রাস করে এবং উত্পাদন লাইনের অবিচ্ছিন্ন ক্রিয়াকলাপের গ্যারান্টি দেয়।
2। উচ্চ স্থায়িত্ব এবং দীর্ঘতর পরিষেবা জীবন
এসডাব্লুসি ইউনিভার্সাল জয়েন্ট কাপলিংগুলির নকশা এবং উপাদান নির্বাচন "ভারী বোঝা প্রতিরোধ এবং কঠোর পরিবেশ প্রতিরোধ" কেন্দ্রিক। মূল দেহটি উচ্চ-শক্তি অ্যালো স্টিল দিয়ে তৈরি, একটি ইন্টিগ্রেটেড কাঁটাচামচ মাথা কাঠামোর সাথে মিলিত, যা মৌলিকভাবে সাধারণ ব্যর্থতা পয়েন্টগুলি যেমন বল্ট শিথিলকরণ এবং উপাদান ভাঙ্গনের মতো হ্রাস করে। উদাহরণ হিসাবে উত্তোলন এবং উপাদান হ্যান্ডলিং সরঞ্জামগুলিতে ব্যবহৃত টেকসই এসডাব্লুসি ইউনিভার্সাল জয়েন্ট শ্যাফ্ট কাপলিং গ্রহণ করা, এটি ভারী বস্তুগুলি উত্তোলন করার সময় তাত্ক্ষণিক প্রভাব লোড সহ্য করতে পারে এবং ধূলিকণা এবং উচ্চ তাপমাত্রার মতো কঠোর পরিবেশে স্থিতিশীল কর্মক্ষমতা বজায় রাখতে পারে। Traditional তিহ্যবাহী স্প্লিট-স্ট্রাকচার কাপলিংগুলির সাথে তুলনা করে, এই শিল্প ইউনিভার্সাল যৌথ কাপলিংয়ের সামগ্রিক শক্তি 30%-50%বৃদ্ধি পেয়েছে, যা কেবল দৈনিক রক্ষণাবেক্ষণের ফ্রিকোয়েন্সি হ্রাস করে না তবে পরিষেবা জীবনকে 2-3 বছরও বাড়িয়ে তোলে। এটি ভারী যন্ত্রপাতি ইউনিভার্সাল জয়েন্ট কাপলিং সিস্টেমগুলির দীর্ঘমেয়াদী উচ্চ-লোড অপারেশন প্রয়োজনের জন্য বিশেষভাবে উপযুক্ত।
3। উচ্চ সংক্রমণ দক্ষতা এবং উল্লেখযোগ্য শক্তি-সঞ্চয় প্রভাব
পরীক্ষায় দেখা গেছে যে এসডাব্লুসি হেভি-ডিউটি ইউনিভার্সাল জয়েন্ট কাপলিংয়ের সংক্রমণ দক্ষতা 98.6%এর চেয়ে বেশি, যার উচ্চ-শক্তি শিল্প সংক্রমণ পরিস্থিতিগুলির সুস্পষ্ট সুবিধা রয়েছে-যেমন স্টিল প্ল্যান্টগুলিতে ব্লাস্ট ফার্নেস অনুরাগী এবং বিদ্যুৎকেন্দ্রগুলিতে কয়লা কনভাইং সিস্টেম। অবিচ্ছিন্ন উচ্চ-শক্তি সংক্রমণ প্রয়োজন এমন সরঞ্জামগুলির জন্য, বৃহত বিদ্যুৎ সংক্রমণের জন্য এই দক্ষ ইউনিভার্সাল জয়েন্ট কাপলিংয়ের সাথে মেলে বিদ্যুৎ ক্ষতি হ্রাস করতে পারে। শক্তি-সঞ্চয়কারী সার্বজনীন যৌথ সংযোগ সমাধানগুলি অনুসরণকারী উদ্যোগগুলির জন্য, এই উচ্চ দক্ষতা সরাসরি ব্যয় সুবিধার মধ্যে রূপান্তরিত হতে পারে: একটি 1500 কেডব্লিউ শিল্প মোটরকে উদাহরণ হিসাবে গ্রহণ করা, এটি প্রতি বছর বিদ্যুতের ব্যয়গুলিতে 12,000 এরও বেশি ইউয়ান সাশ্রয় করতে পারে এবং এন্টারপ্রাইজগুলিকে দীর্ঘমেয়াদী ব্যবহারে যথেষ্ট অপারেটিং ব্যয় হ্রাস করতে সহায়তা করতে পারে, যখন শক্তি-সঞ্চয় এবং খরচগুলিতে মেনে চলতে পারে।
4। স্থিতিশীল এবং শান্ত অপারেশন, একাধিক পরিস্থিতিতে উপযুক্ত
ভারবহন ফিটের নির্ভুলতার অনুকূলকরণ এবং কম ঘর্ষণ সহগের সাথে লুব্রিকেটিং গ্রিজ ব্যবহার করে, এই নিম্ন-শব্দের ইউনিভার্সাল জয়েন্ট কাপলিংয়ের অপারেটিং শব্দটি 30-40 ডিবি (এ) এ কঠোরভাবে নিয়ন্ত্রণ করা হয়, যা একটি দৈনিক অফিসের পরিবেষ্টিত শব্দ স্তরের সমতুল্য এবং শিল্প সাইটের শব্দের নির্গমন মানের সাথে পুরোপুরি সম্মতি দেয়। শব্দ-সংবেদনশীল পরিস্থিতিতে-যেমন খাদ্য প্রক্রিয়াকরণ উদ্ভিদগুলিতে উত্পাদন লাইন এবং নির্ভুলতা বৈদ্যুতিন উপাদানগুলির জন্য সরঞ্জাম সরবরাহ করার সরঞ্জামগুলি-এটি কেবল সংক্রমণ ব্যবস্থার স্থায়িত্ব এবং নির্ভরযোগ্যতা নিশ্চিত করতে পারে না তবে শব্দের কারণে কর্মশালার পরিবেশ বা কর্মীদের অপারেটিং অভিজ্ঞতা প্রভাবিত করতেও এড়াতে পারে। একই সময়ে, স্থিতিশীল সংক্রমণ বৈশিষ্ট্যগুলি সরঞ্জামের কম্পনের ফলে সৃষ্ট পার্শ্ববর্তী উপাদানগুলির পরিধানও হ্রাস করতে পারে, পুরো উত্পাদন ব্যবস্থার অপারেটিং স্থিতিশীলতা এবং পরিষেবা জীবনকে আরও উন্নত করতে পারে।
এসডাব্লুসি-ডিএইচ শর্ট ফ্লেক্স ওয়েল্ডিং টাইপ ইউনিভার্সাল কাপলিং, প্রায়শই এসডাব্লুসিসি কার্ডান শ্যাফ্ট ইউনিভার্সাল জয়েন্ট কাপলিং হিসাবে পরিচিত, মূলত ভারী যন্ত্রপাতি দৃশ্যে যেমন রোলিং মিল এবং হোস্টের মতো ব্যবহৃত হয়। এই ধরণের সরঞ্জামগুলির কাঠামোগত কমপ্যাক্টনেস এবং নমনীয়তার জন্য অত্যন্ত উচ্চ প্রয়োজনীয়তা রয়েছে - কেবলমাত্র এই দুটি পয়েন্ট পূরণ করে দক্ষ অপারেশন অর্জন করা যেতে পারে এবং এই কাপলিং পুরোপুরি এই জাতীয় প্রয়োজনগুলি পূরণ করে। একটি উচ্চ-টর্ক ইউনিভার্সাল জয়েন্ট কাপলিং হিসাবে, এটি কার্যকরভাবে দুটি সংক্রমণ শ্যাফটকে অ-কাকতালীয় অক্ষের সাথে সংযুক্ত করতে পারে, এমনকি কঠোর শিল্প পরিবেশেও বিরামবিহীন শক্তি সংক্রমণ নিশ্চিত করে যা শ্যাফ্ট সিস্টেমের মিস্যালাইনমেন্টের জন্য সুনির্দিষ্ট ক্ষতিপূরণ প্রয়োজন।
ব্যবহারিক অ্যাপ্লিকেশনগুলিতে, রোলিং মিল অপারেশনগুলির জন্য একটি নির্ভরযোগ্য ভারী শুল্ক ইউনিভার্সাল জয়েন্ট কাপলিং রোলিং মিল কাজের সময় প্রয়োজন কিনা, বা একটি টেকসই এসডাব্লুসি ইউনিভার্সাল জয়েন্ট শ্যাফ্ট কাপলিংয়ের প্রয়োজন হয় উত্তোলন এবং উপাদান হ্যান্ডলিং সরঞ্জামগুলিতে, এই পণ্যটি দুর্দান্তভাবে সম্পাদন করতে পারে-এটি চূড়ান্ত লোডের অধীনে স্থিতিশীল সরঞ্জাম অপারেশন বজায় রাখতে পারে। এর অভিযোজনযোগ্যতার সুবিধাটি কমপ্যাক্ট সরঞ্জাম বিন্যাসগুলিতে বিশেষত বিশিষ্ট যেখানে স্থান সীমিত এবং একটি সংক্ষিপ্ত নমনীয় কাঠামোর নকশা প্রয়োজন।
এই এসডাব্লুসি-ডিএইচ শিল্প ইউনিভার্সাল জয়েন্ট কাপলিং উন্নত ইঞ্জিনিয়ারিং প্রযুক্তির সাথে নির্মিত এবং বিশেষত শিল্প পরিস্থিতিগুলির জন্য কর্মক্ষমতা এবং পরিষেবা জীবনের জন্য অনুকূলিত। এর মূল কাঠামোগত বৈশিষ্ট্যটি তার যুক্তিসঙ্গত এবং নিরাপদ নকশার মধ্যে রয়েছে: ইন্টিগ্রেটেড কাঁটাচামচ কাঠামো মৌলিকভাবে বোল্ট আলগা বা ভাঙ্গনের লুকানো বিপদগুলি দূর করে, সামগ্রিক শক্তি 30%-50%বৃদ্ধি করে। এই নকশাটি কেবল অপারেশনের সুরক্ষা এবং নির্ভরযোগ্যতা নিশ্চিত করে না তবে ভারী যন্ত্রপাতি ইউনিভার্সাল যৌথ কাপলিং সিস্টেমের মতো উচ্চ-চাপের প্রয়োগের পরিস্থিতিগুলিতে সাধারণ ব্যর্থতার সমস্যাগুলি এড়িয়ে চলাকালীন traditional তিহ্যবাহী মডেলগুলির সাথে তুলনা করে পরিষেবা জীবনও প্রসারিত করে।
তদতিরিক্ত, এর লোড-ভারবহন ক্ষমতা আরও বেশি ওজন সহ্য করার জন্য ডিজাইনের মাধ্যমে উন্নত করা হয়েছে, সুতরাং এই এসডাব্লুসিসি ভারী শুল্ক ইউনিভার্সাল জয়েন্ট কাপলিং লোড-ভারবহন ক্ষমতা যেমন খনির যন্ত্রপাতি এবং নির্মাণ সরঞ্জামের উপর কঠোর প্রয়োজনীয়তার সাথে দৃশ্যের জন্য খুব উপযুক্ত। সংক্রমণ দক্ষতার ক্ষেত্রে, এটি 98.6%পর্যন্ত পৌঁছায়। বৃহত বিদ্যুৎ সংক্রমণের জন্য একটি দক্ষ সর্বজনীন যৌথ সংযোগ হিসাবে, এটি শক্তি খরচ এবং বিদ্যুতের ব্যয়কে উল্লেখযোগ্যভাবে হ্রাস করতে পারে, এটি উচ্চ-শক্তি শিল্প সংক্রমণের ক্ষেত্রে শক্তি-সঞ্চয়কারী সর্বজনীন যৌথ কাপলিং সমাধানগুলির জন্য একটি পছন্দের পণ্য হিসাবে তৈরি করে।
অবশেষে, এই কাপলিংয়ে স্থিতিশীল সংক্রমণ বৈশিষ্ট্যযুক্ত, অপারেটিং শব্দের সাথে সাধারণত 30-40 ডিবি (এ) এ নিয়ন্ত্রিত হয়, এটি একটি স্বল্প-শব্দের সর্বজনীন যৌথ কাপলিং করে তোলে। এই বৈশিষ্ট্যটি এটিকে সর্বদা উচ্চ নির্ভরযোগ্যতা বজায় রেখে শব্দ-সংবেদনশীল শিল্প পরিস্থিতিগুলিতে এমনকি চুপচাপ পরিচালনা করতে দেয়।
⭐⭐⭐⭐⭐ ওয়াং লেই, প্রজেক্ট ইঞ্জিনিয়ার, গুয়াংডং হেভি মেশিনারি কোং, লিমিটেড
আমরা আমাদের ভারী যন্ত্রপাতিগুলিতে কিছু সময়ের জন্য রায়ডাফনের এসডাব্লুসি-ডিএইচ শর্ট ফ্লেক্স ওয়েল্ডিং টাইপ ইউনিভার্সাল কাপলিং ব্যবহার করছি, এবং এটি একটি আনন্দদায়ক চমক হয়ে গেছে-বিশেষত যখন এটি শক্ত দাগগুলিতে ফিট করার কথা আসে। আমাদের সরঞ্জামগুলিতে সংক্রমণ অংশগুলির জন্য বেশ সীমিত জায়গা রয়েছে তবে এই কাপলিংয়ের কমপ্যাক্ট ডিজাইনটি গ্লাভের মতো ফিট করে, কেবল এটি কার্যকর করার জন্য অন্যান্য উপাদানগুলিকে পুনরায় সাজানোর দরকার নেই।
এর চেয়েও ভাল যা এটি আকারের জন্য পারফরম্যান্স ত্যাগ করে না। এটি এখনও শক্তিশালী, অবিচলিত টর্ক ট্রান্সমিশন সরবরাহ করে-আমাদের ভারী শুল্ক অপারেশনগুলির জন্য সমালোচনামূলক। আমরা কয়েক সপ্তাহ ধরে এটি অবিচ্ছিন্নভাবে চালিয়েছি এবং শূন্য অস্বাভাবিক কম্পন রয়েছে; পুরো সিস্টেমটি মসৃণ থাকে। Ld ালাইয়ের গুণমানটি আরও একটি হাইলাইট-আপনি এটি কেবল এটি দেখে দৃ solid ়ভাবে বলতে পারেন, যা আমাদের সম্পূর্ণ আত্মবিশ্বাস দেয় যা এটি দীর্ঘমেয়াদী ভারী ব্যবহারকে ধরে রাখবে। একটি সংযোগের জন্য যা স্পেস-সেভিং ডিজাইন এবং নির্ভরযোগ্যতার ভারসাম্য বজায় রাখে, এটি একজন বিজয়ী।
⭐⭐⭐⭐⭐ ঝাও মিং, প্রকিউরমেন্ট ম্যানেজার, তিয়ানজিন স্টিল সরঞ্জাম কোং, লিমিটেড
আমরা সম্প্রতি রায়ডাফনের কাছ থেকে বেশ কয়েকটি এসডাব্লুসি-ডিএইচ কাপলিংয়ের অর্ডার দিয়েছি এবং আমার বলতে হবে, পুরো ক্রয় প্রক্রিয়াটি একটি বাতাস ছিল-কোনও মাথাব্যথা নয়, কোনও বিলম্ব নেই। আমরা ক্রমে পাঠানোর মুহুর্ত থেকেই তাদের দলটি প্রতিক্রিয়াশীল ছিল এবং ডেলিভারিটি নির্ধারিত তারিখে সরাসরি প্রদর্শিত হয়েছিল, যা আমাদের উত্পাদনকে ট্র্যাক রাখার জন্য একটি বড় প্লাস। প্যাকেজিংটিও শীর্ষস্থানীয় ছিল: প্রতিটি কাপলিং নিরাপদে মোড়ানো ছিল, শিপিংয়ের সময় কোনও ডেন্ট বা ক্ষতি-কেবল আনবক্স এবং ইনস্টল করার জন্য প্রস্তুত।
আমাদের প্রযুক্তিগত দলটি সেটআপটি পরিচালনা করেছিল এবং তারা মাউন্ট করা কতটা সহজ ছিল তা এখনই উল্লেখ করেছে। কোনও জটিল পদক্ষেপ নেই, বিশেষ সরঞ্জামগুলির জন্য শিকার করার দরকার নেই - তারা এটি দ্রুত ফিট করে এবং এটি তখন থেকেই নির্ভরযোগ্যভাবে চলছে। আপনি যখন এই ধারাবাহিক পারফরম্যান্সের সাথে যুক্ত যুক্তিসঙ্গত দামের ফ্যাক্টর করেন, তখন এটি স্পষ্ট হয় যে এই কাপলিংটি দুর্দান্ত মান দেয়। আমরা ইতিমধ্যে এটি আমাদের নিয়মিত সংগ্রহের তালিকায় রাখার পরিকল্পনা করছি; এটি এমন এক ধরণের পণ্য যা আমার কাজকে ক্রেতা হিসাবে সহজ করে তোলে।
⭐⭐⭐⭐⭐ লিউ হংক, রক্ষণাবেক্ষণ পরিচালক, শানডং ইন্ডাস্ট্রিয়াল গ্রুপ
যে কেউ সরঞ্জাম রক্ষণাবেক্ষণের তদারকি করেন, আমার সবচেয়ে বড় অগ্রাধিকার হ'ল ডাউনটাইমে কেটে ফেলা এবং আমার দলটি সার্ভিসিং অংশগুলিতে যে সময় ব্যয় করে তা হ্রাস করা। রায়ডাফনের এসডাব্লুসি-ডিএইচ কাপলিং সেই দুটি বাক্সই পুরোপুরি পরীক্ষা করে। আমরা এটি এমন সরঞ্জামগুলিতে ব্যবহার করি যা প্রতিদিন ভারী কাজের চাপের আওতায় চলে এবং এটি কখনই পিছলে যায় না বা স্থানান্তরিত হয় না - দৃ firm ়ভাবে স্থানে রয়েছে, কোনও loose িলে .ালা সংযোগ নেই। এমনকি কয়েক মাস ব্যবহারের পরেও, পরিধানের সবেমাত্র কোনও চিহ্ন রয়েছে যা আমরা আগে ব্যবহার করেছি এমন অন্যান্য কাপলিংয়ের একটি বিশাল বিপরীতে।
এই পুরানো কাপলিংয়ের সাথে, আমরা সর্বদা দ্রুত সংশোধন বা অংশের প্রতিস্থাপনের সময়সূচী করছিলাম, যা উত্পাদন সময় খেয়েছিল এবং ব্যয়গুলিতে যুক্ত হয়েছিল। এই এক? আমরা সবেমাত্র এটি স্পর্শ করি না - কোনও ঘন ঘন সার্ভিসিং, কোনও অপ্রত্যাশিত ভাঙ্গন নেই। এটি আমাদের রক্ষণাবেক্ষণের জন্য অনেক সময় এবং অর্থ সাশ্রয় করেছে এবং এটি কেবল তার কাজটি নির্ভরযোগ্যভাবে করতে চলেছে। এই দিনগুলিতে, এটি আমাদের প্রতিদিনের ক্রিয়াকলাপগুলিতে একটি গো-টু উপাদান হয়ে উঠেছে; এটি ব্যর্থ হওয়ার বিষয়ে আমাকে চিন্তা করার দরকার নেই, যা আমাকে অন্যান্য অগ্রাধিকারগুলিতে ফোকাস করতে দেয়। এটি প্রতিটি রক্ষণাবেক্ষণ দলের প্রয়োজন ঠিক সেই ধরণের নির্ভরযোগ্য অংশ।
ঠিকানা
লুওটুও শিল্প অঞ্চল, ঝেনহাই জেলা, নিংবো সিটি, চীন
টেলিফোন
ই-মেইল


+86-574-87168065


লুওটুও শিল্প অঞ্চল, ঝেনহাই জেলা, নিংবো সিটি, চীন
কপিরাইট © রায়ডাফোন টেকনোলজি গ্রুপ কোং, সীমাবদ্ধ সমস্ত অধিকার সংরক্ষিত।
Links | Sitemap | RSS | XML | গোপনীয়তা নীতি |
