QR কোড
পণ্য
যোগাযোগ করুন


ফ্যাক্স
+86-574-87168065

ই-মেইল

ঠিকানা
লুওটুও শিল্প অঞ্চল, ঝেনহাই জেলা, নিংবো সিটি, চীন
ফ্লেক্স ফ্ল্যাঞ্জ টাইপ ছাড়াই রায়ডাফনের এসডাব্লুসিসি-ডাব্লুএফ-এর ইউনিভার্সাল কাপলিং কেবল ভারী যন্ত্রপাতিগুলিতে উচ্চ-টর্ক সংক্রমণের জন্য তৈরি করা হয়-ভাবুন ধাতববিদ্যার সরঞ্জাম, ক্রেন, খনির সিস্টেম, সমস্ত শক্ত সেটআপ যা স্থির শক্তি প্রয়োজন। এটিতে একটি অ-নমনীয় ফ্ল্যাঞ্জ ডিজাইন রয়েছে, 160 মিমি থেকে 640 মিমি পর্যন্ত গাইরেশন ব্যাসার রয়েছে এবং এই ফ্ল্যাঞ্জ টাইপ ইউনিভার্সাল কাপলিং বড় কৌণিক মিসালাইনমেন্টগুলি এবং অবিচ্ছিন্ন রোটারি গতির কোনও সমস্যা নেই, এমনকি সুপার চাহিদা মতো পরিস্থিতিতে কাজ করার পরেও। আমরা এটি তৈরির জন্য উচ্চ-শক্তি 35crmo ইস্পাত ব্যবহার করি, তাই এটি পুরোপুরি তীব্র লোডগুলিতে দাঁড়ায়-তা নিশ্চিতভাবে কেন এটি ভারী যন্ত্রপাতি এবং শিল্প অ্যাপ্লিকেশনগুলির জন্য নন-ফ্লেক্স ইউনিভার্সাল কাপলিংয়ের জন্য সর্বজনীন কাপলিংয়ের শীর্ষস্থানীয়। রায়ডাফনের নির্ভুলতা উত্পাদন নিশ্চিত করে যে এটি প্রতিবার শক্ত পারফরম্যান্স সরবরাহ করে, বিশেষত এমন শিল্পগুলির জন্য যা ধারাবাহিক টর্ক সরবরাহের সাথে আপস করতে পারে না।
এই এসডাব্লুসি-ডাব্লুএফ ইউনিভার্সাল কাপলিংটি স্থায়ীভাবে নির্মিত হয়েছে, একটি অনমনীয় ফ্ল্যাঞ্জ সংযোগের সাথে যা শিপ বিল্ডিং ড্রাইভ এবং রোলিং মিলগুলির মতো সিস্টেমে ইনস্টলেশন সহজ করে তোলে-এমন জায়গাগুলি যেখানে অক্ষীয় চলাচল খুব বেশি নয়। আমরা আইএসও 9001 মানকে কঠোরভাবে অনুসরণ করি এবং আমাদের চীন-ভিত্তিক কারখানাটি এই টেকসই ফ্ল্যাঞ্জ ইউনিভার্সাল কাপলিং তৈরি করতে উন্নত মেশিনিং প্লাস টাইট মানের চেক ব্যবহার করে। এটি 1250 কেএন · এম পর্যন্ত টর্ক রেটিং সহ কাস্টমাইজযোগ্য আকারে আসে, সুতরাং এটি ধাতববিদ্যার সরঞ্জাম এবং অন্যান্য ভারী শুল্কের সেটআপগুলির জন্য কাস্টম ইউনিভার্সাল কাপলিংয়ের সাথে সরাসরি ফিট করে। রায়ডাফন প্রতিযোগিতামূলক মূল্যে উপযুক্ত সমাধানগুলিও সরবরাহ করে, ডাউনটাইমকে হ্রাস করতে এবং আপনার সরঞ্জামের নির্ভরযোগ্যতা বাড়াতে সহায়তা করে।
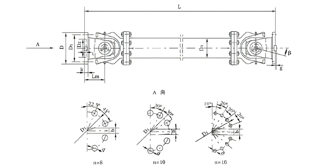
| নং নং | গাইরেশন ব্যাস d মিমি | নামমাত্র টর্ক টিএন কেএন · মি | অক্ষগুলি ভাঁজ কোণ β (°) | ক্লান্ত টর্ক টিএফ কেএন · মি | আকার (মিমি) | জড়তা ঘোরানো কেজিএম2 | ওজন (কেজি) | |||||||||||
| এলএমin | ডি 1 (জেএস 11) | ডি 2 (এইচ 7) | ডি 3 | এলএম | এন-ডি | k | t | b (এইচ 9) | g | এলএমin | বৃদ্ধি 100 মিমি | এলএমin | বৃদ্ধি 100 মিমি | |||||
| SWC285WF | 285 | 90 | 45 | ≤15 | 810 | 245 | 170 | 194 | 160 | 8-21 | 27 | 7 | 40 | 15 | 2.664 | 0.051 | 220 | 6.3 |
| SWC315WF | 315 | 125 | 63 | 915 | 280 | 185 | 219 | 180 | 10-23 | 32 | 8 | 40 | 15 | 4.469 | 0.0795 | 300 | 8.0 | |
| SWC350WF | 350 | 180 | 90 | 980 | 310 | 210 | 267 | 194 | 10-23 | 35 | 8 | 50 | 16 | 7.388 | 0.2219 | 412 | 15.0 | |
| SWC390WF | 390 | 250 | 125 | 1100 | 345 | 235 | 267 | 215 | 10-25 | 40 | 8 | 70 | 18 | 13.184 | 0.2219 | 588 | 15.0 | |
| SWC440WF | 440 | 355 | 180 | 1290 | 390 | 255 | 325 | 260 | 16-28 | 42 | 10 | 80 | 20 | 23.250 | 0.4744 | 880 | 21.7 | |
| SWC490WF | 490 | 500 | 250 | 1360 | 435 | 275 | 325 | 270 | 16-31 | 47 | 12 | 90 | 22.5 | 40.750 | 0.4744 | 1173 | 21.7 | |
| SWC550WF | 550 | 710 | 355 | 1510 | 492 | 320 | 426 | 305 | 16-31 | 50 | 12 | 100 | 22.5 | 68.480 | 1.3570 | 1663 | 34.0 | |
| SWC620WF | 620 | 1000 | 500 | 1690 | 555 | 380 | 426 | 340 | 10-38 | 55 | 12 | 100 | 25 | 127.530 | 1.3570 | 2332 | 34.0 | |
* 1। টিএফ-আন্ডার বিকল্পটি টর্ককে লোড করুন যা ক্লান্তি শক্তি অনুসারে অনুমতি দেয়।
* 2। এল-ইনস্টল দৈর্ঘ্য, যা প্রয়োজনীয়তা অনুসারে।
ফ্লেক্স ফ্ল্যাং টাইপ ইউনিভার্সাল জয়েন্ট কাপলিং ছাড়াই রায়ডাফনের এসডাব্লুসি-ডাব্লুএফ-কে এসডাব্লুসি কার্ডান শ্যাফ্ট ইউনিভার্সাল জয়েন্ট কাপলিংও বলা হয়-এটি একটি মৌলিক যান্ত্রিক ধারণার উপর কাজ করে: এটি দুটি অ-কলিনিয়ার শ্যাফ্ট থেকে যেখানে যেতে হবে সেখানে টর্ক পায় এবং এটি মিসালাইনমেন্টও পরিচালনা করে। এই উচ্চ-টর্ক ইউনিভার্সাল জয়েন্ট কাপলিং উভয় প্রান্তে ফ্ল্যাঞ্জগুলি লিঙ্ক করতে ক্রস বহনকারী সেটআপ ব্যবহার করে, তাই শ্যাফ্টগুলি 25 ডিগ্রি পর্যন্ত অফসেট করা হয় বা অক্ষ/রেডিয়াল বিচ্যুতি থাকে, এটি এখনও ঘূর্ণন শক্তিটি সুচারুভাবে সরিয়ে দেয়।
এটি কীভাবে কাজ করে তার হৃদয় হ'ল ইউনিভার্সাল জয়েন্ট ডিজাইন - এটি একটি ক্রস শ্যাফ্ট যা পিভটের মতো কাজ করে, প্রতিটি ফ্ল্যাঞ্জকে নিজের দিকে যেতে দেয়। এইভাবে, টর্কটি ড্রাইভিং শ্যাফ্ট থেকে চালিত শ্যাফ্টে দক্ষতার সাথে যায় এবং এটি যে অংশগুলির সাথে সংযুক্ত রয়েছে তার উপর খুব বেশি চাপ না দিয়ে এটি কৌণিক বিভ্রান্তির জন্য তৈরি করে। আপনার যদি রোলিং মিল অপারেশনগুলির জন্য যদি একটি নির্ভরযোগ্য ভারী শুল্ক ইউনিভার্সাল জয়েন্ট কাপলিংয়ের প্রয়োজন হয় তবে এই একের অনমনীয়, অ-নমনীয় ফ্ল্যাঞ্জ কাঠামো জিনিসগুলিকে স্থিতিশীল রাখে, যা কমপ্যাক্ট ভারী যন্ত্রপাতি সেটআপগুলিতে স্বল্প-দূরত্বের সংযোগের জন্য উপযুক্ত।
এর কাজটি কী আলাদা করে তোলে তা হ'ল এটিতে নমনীয় অংশ বা সম্প্রসারণ বৈশিষ্ট্য নেই - এটি এটিকে অন্যান্য ধরণের থেকে আলাদা করে দেয় এবং অক্ষীয় চলাচল ন্যূনতম এমন জায়গাগুলির জন্য এটি দুর্দান্ত করে তোলে। টেকসই এসডাব্লুসিসি ইউনিভার্সাল জয়েন্ট শ্যাফ্ট কাপলিং আমরা উত্তোলন এবং উপাদান হ্যান্ডলিং সরঞ্জামগুলিতে ব্যবহার করি এই নীতিটিতে ঝুঁকিতেও বড় লোডের অধীনে ভারসাম্যপূর্ণ থাকার জন্য; এটি 98.6% পর্যন্ত সংক্রমণ কার্যকারিতা হিট করে এবং খুব বেশি শক্তি নষ্ট করে না। এই শিল্প ইউনিভার্সাল জয়েন্ট কাপলিং সুনির্দিষ্ট ভারবহন আন্দোলনের জন্য কম্পনগুলিও হ্রাস করে, তাই এটি উচ্চ-চাপের পরিস্থিতিতে এমনকি সহজেই চলমান-যেমন ভারী যন্ত্রপাতি ইউনিভার্সাল জয়েন্ট কাপলিং সিস্টেমগুলির মতো আপনি কঠোর শিল্প চাকরিতে দেখতে পাবেন।
এছাড়াও, রায়ডাফনের এসডাব্লুসি ভারী শুল্ক ইউনিভার্সাল জয়েন্ট কাপলিং এটিকে দৃ urd ় করে তুলতে ফ্ল্যাঞ্জগুলি ld ালাই করেছে-বোল্টগুলি আলগা হওয়ার বিষয়ে আর উদ্বেগজনক নয় এবং এটি সামগ্রিক শক্তি 30% থেকে 50% বাড়িয়ে তোলে। বৃহত বিদ্যুৎ সংক্রমণের জন্য একটি দক্ষ ইউনিভার্সাল জয়েন্ট কাপলিং হিসাবে, এটি নামমাত্র টর্কগুলি 0.15 থেকে 1000 কেএন · মিটার পর্যন্ত পরিচালনা করে এবং φ58 থেকে φ620 পর্যন্ত গাইরেশন ব্যাসার রয়েছে the এবং 30-40 ডিবি (এ) এর মধ্যে থাকা শব্দের সাথে, এই নিম্ন-শব্দের ইউনিভার্সাল জয়েন্ট কাপলিং শান্ত চলে, যা উচ্চ নির্ভরযোগ্যতার মান বজায় রেখে সমস্ত শিল্প স্পটগুলির জন্য আদর্শ যেখানে শব্দ একটি উদ্বেগজনক।
রায়ডাফনের এসডাব্লুসি ইউনিভার্সাল জয়েন্ট কাপলিং - প্রায়শই এসডাব্লুসিসি কার্ডান শ্যাফ্ট ইউনিভার্সাল জয়েন্ট কাপলিং বলা হয় - এটি কেবল নিয়মিত অংশ নয়; এটি ভারী শুল্ক শিল্প সেটআপগুলির জন্য অবশ্যই আবশ্যক, যেমন ঘূর্ণায়মান মিলগুলি, উত্তোলন যন্ত্রপাতি এবং সমস্ত ধরণের শক্ত ভারী যন্ত্রপাতি সিস্টেম। একটি উচ্চ-টর্ক ইউনিভার্সাল জয়েন্ট কাপলিং হিসাবে, এটি দুটি সংক্রমণ শ্যাফটকে সংযুক্ত করে একটি শক্ত কাজ করে যা পুরোপুরি লাইন না করে, নিশ্চিত করে যে কার্যকারিতা রুক্ষ হয়ে গেলেও শক্তি প্রবাহিত হয়।
আসুন এর কী স্পেসগুলি সম্পর্কে কথা বলি: জাইরেশন ব্যাস φ58 থেকে φ620 পর্যন্ত, নামমাত্র টর্ক 0.15 থেকে 1000 কেএন · এম পর্যন্ত যায় এবং অক্ষের ভাঁজ কোণটি 25 ° এর বেশি নয় °
এই পণ্যটি নির্দিষ্ট পরিস্থিতিতে সত্যই জ্বলজ্বল করে-যেমন আপনার যখন রোলিং মিল অপারেশনগুলির জন্য একটি নির্ভরযোগ্য ভারী শুল্ক ইউনিভার্সাল জয়েন্ট কাপলিং, বা উত্তোলন এবং উপাদান হ্যান্ডলিং সরঞ্জামগুলিতে একটি টেকসই এসডাব্লুসি ইউনিভার্সাল জয়েন্ট শ্যাফ্ট কাপলিংয়ের প্রয়োজন হয়। এই ক্ষেত্রে, এটি ভারী বোঝা নিয়ে কাজ করার পরেও অপারেশনগুলি স্থিতিশীল রেখে এর মূল্য প্রমাণ করে।
রায়ডাফনের এসডাব্লুসি ইউনিভার্সাল জয়েন্ট কাপলিং কেবল ফাংশনের জন্য নির্মিত নয়-এটি শিল্প ব্যবহার ধরে রাখতে এবং দীর্ঘমেয়াদী পারফর্ম করতে চালিয়ে যাওয়ার জন্য স্মার্ট ডিজাইনের সাথে ইঞ্জিনিয়ারড। এর কাঠামোটি কী আলাদা করে তোলে তা ভেঙে ফেলা যাক।
প্রথমত, এটির একটি যুক্তিসঙ্গত এবং নিরাপদ কনফিগারেশন রয়েছে: আমরা এই শিল্প ইউনিভার্সাল যৌথ কাপলিংয়ের জন্য একটি ইন্টিগ্রেটেড কাঁটাচামচ হেড ডিজাইন ব্যবহার করেছি, যা বোল্টগুলি আলগা বা ভাঙ্গার মতো ঝুঁকিগুলি হ্রাস করে। এটি একা তার কাঠামোগত অখণ্ডতা 30%-50%বাড়ায়, তাই এটি নিরাপদে এবং নির্ভরযোগ্যভাবে কাজ করে। নিয়মিত কাপলিংয়ের সাথে তুলনা করে, এটি দীর্ঘস্থায়ী হয় এবং উচ্চ-চাপের দাগগুলিতে সাধারণ ভাঙ্গন এড়ায়-যেমন ভারী যন্ত্রপাতি ইউনিভার্সাল জয়েন্ট কাপলিং সিস্টেমগুলি আপনি কঠোর চাকরিতে দেখেন।
তারপরে এর বর্ধিত লোড-ভারবহন ক্ষমতা রয়েছে: এই এসডাব্লুসিসি ভারী শুল্ক ইউনিভার্সাল জয়েন্ট কাপলিং বড় ওজন পরিচালনা করার জন্য তৈরি করা হয়েছে, সুতরাং এটি এমন জায়গাগুলিতে আবশ্যক যেগুলি খনন বা নির্মাণ যন্ত্রপাতিগুলির মতো শীর্ষস্থানীয় লোড পরিচালনার প্রয়োজন।
এটি উচ্চ সংক্রমণ দক্ষতাও সরবরাহ করে - 98.6%পর্যন্ত নেওয়া। বৃহত বিদ্যুৎ সংক্রমণের জন্য একটি দক্ষ সর্বজনীন যৌথ সংযোগ হিসাবে, এটি শক্তি ব্যবহার এবং এটির সাথে যে ব্যয়গুলি আসে তা হ্রাস করে। এজন্য এটি উচ্চ-শক্তি শিল্প সংক্রমণ সেটআপগুলিতে শক্তি-সঞ্চয়কারী সর্বজনীন যৌথ কাপলিং সমাধানগুলির জন্য শীর্ষ পছন্দ।
এবং এটি কম শব্দের সাথে মসৃণ হয়: এটি সংক্রমণ স্থির রাখে এবং শব্দটি সাধারণত 30-40 ডিবি (ক) এর মধ্যে থাকে। এই নিম্ন-শব্দের সর্বজনীন যৌথ কাপলিং নিশ্চিত করে যে অপারেশনগুলি শান্ত থাকে, যা এমন জায়গাগুলির জন্য উপযুক্ত যেখানে শব্দ একটি সমস্যা-সমস্ত উচ্চ স্তরে নির্ভরযোগ্যতা রাখার সময়।
⭐⭐⭐⭐⭐ চেন লিয়াং, প্রযোজনা প্রকৌশলী, ঝিজিয়াং যন্ত্রপাতি কোং, লিমিটেড
আমরা আমাদের একটি প্রযোজনা লাইনে ফ্লেক্স ফ্ল্যাঞ্জ টাইপ ইউনিভার্সাল কাপলিং ছাড়াই রায়ডাফনের এসডাব্লুসিসি-ডাব্লুএফ রেখেছি এবং এটি এখন পর্যন্ত দুর্দান্ত কাজ করছে। কাঠামোর সহজ তবে শক্ত - এটি একটি বাতাস ছিল, এটি একটি বাতাস, কোনও জটিল পদক্ষেপ ছিল না। এটি সেট আপ হয়ে গেলে, এটি মসৃণ হয়, অতিরিক্ত টুইটের প্রয়োজন নেই। এমনকি যখন লোড ভারী হয়, তখনও এই কাপলিং নির্ভরযোগ্য থাকে, যার অর্থ আমরা খুব বেশি চিন্তা না করে মেশিনগুলি দীর্ঘ সময় চলতে পারি - অবশ্যই আমাদের আরও মানসিক প্রশান্তি দেয়।
⭐⭐⭐⭐⭐ সান মেই, ক্রয় সুপারভাইজার, হেবেই স্টিল কোং, লিমিটেড
আমাদের সংস্থা রায়ডাফনের কাছ থেকে ফ্লেক্স ফ্ল্যাঞ্জ টাইপ ইউনিভার্সাল কাপলিং ছাড়াই বেশ কয়েকটি এসডাব্লুসি-ডাব্লুএফ কিনেছিল এবং প্রথমত, ডেলিভারিটি ঠিক সময়মতো ছিল এবং প্যাকেজিংটিও সতর্ক ছিল-মোটেও কোনও ক্ষতি নেই। ওয়ার্কশপ দলটি যা বলেছিল তা আমার পক্ষে যা সত্যই দাঁড়িয়েছে: তারা আমাকে বলেছিল যে কাপলিংগুলি ইনস্টল করা সহজ ছিল এবং সেগুলি ব্যবহার করার সময় তারা সত্যিই দৃ feel ় বোধ করে। এছাড়াও, অন্যান্য সরবরাহকারীদের তুলনায়, এখানে দাম ন্যায্য। সব মিলিয়ে আমরা এই ক্রয়ের সাথে সত্যিই খুশি।
⭐⭐⭐⭐⭐ গুও জুন, রক্ষণাবেক্ষণ ব্যবস্থাপক, ভারী শিল্প গ্রুপকে লিয়োনিং
আমার কাজ হ'ল আমাদের মেশিনগুলি চালিয়ে যাওয়া এবং আমি যতটা পারি ডাউনটাইম কেটে ফেলার চেষ্টা করি। যেহেতু আমরা ফ্লেক্স ফ্ল্যাঞ্জ টাইপ ইউনিভার্সাল কাপলিং ছাড়াই রায়ডাফনের এসডাব্লুসি-ডাব্লুএফ ব্যবহার শুরু করেছি, তাই আমি একটি বড় পার্থক্য লক্ষ্য করেছি-অংশে কম পরিধান এবং অপারেশন চলাকালীন কম সমস্যা। ডিজাইনের শক্ত, এবং এটির জন্য প্রচুর রক্ষণাবেক্ষণের প্রয়োজন নেই। এটি আমাদের সময় এবং অর্থ উভয়ই সাশ্রয় করে এবং এটি আমাদের সরঞ্জামগুলির জন্য একটি সুপার নির্ভরযোগ্য অংশ হিসাবে পরিণত হয়েছে।
রায়ডাফন হ'ল এভার-পাওয়ার গ্রুপ কোং, লিমিটেডের একটি মূল সহায়ক সংস্থা-আমরা কেবল সরবরাহকারী নই, তবে শীর্ষ মানের সংক্রমণ উপাদান এবং শিল্প সমাধানের জন্য একটি সরবরাহকারী সরবরাহকারী এবং আমরা এসডাব্লুসিসি কার্ডান শ্যাফ্ট ইউনিভার্সাল যৌথ কাপলিংয়ের মতো উদ্ভাবনী পণ্যগুলিতে প্রচুর মনোযোগ দিয়েছি। যেহেতু আমরা শুরু করেছি, আমরা প্রযুক্তি অগ্রগতি এবং বিশ্বব্যাপী বাজারগুলিতে ক্রমবর্ধমান সম্পর্কে ছিলাম; আমরা একক উপাদান বিক্রি করতে থামিনি-এখন আমরা পূর্ণ-সিস্টেম সমাধানগুলি তৈরি করি যা কৃষি এবং ভারী শুল্ক শিল্পের প্রয়োজনগুলি পুরোপুরি ফিট করে। ড্রাইভ শ্যাফ্ট এবং ট্রান্সমিশন পণ্যগুলিতে আমাদের কীভাবে জ্ঞান অর্থের অর্থ ক্লায়েন্টদের যাদের রোলিং মিল অপারেশনগুলির জন্য নির্ভরযোগ্য ভারী শুল্ক ইউনিভার্সাল জয়েন্ট কাপলিং (এবং অন্যান্য শক্ত কাজ) আমাদের একটি শক্ত অংশীদার হিসাবে গণ্য করতে পারে।
রায়ডাফনে, আমরা বিস্তৃত পণ্য তৈরি করি: গিয়ারবক্স, ড্রাইভ শ্যাফটস, হাইড্রোলিক সিলিন্ডার, পালি এবং এমনকি সিএনসি ল্যাথস এবং মিলিং মেশিনগুলির মতো উন্নত মেশিন সরঞ্জাম। আমাদের উচ্চ-টর্ক ইউনিভার্সাল জয়েন্ট কাপলিং সলিউশনগুলি-উদাহরণস্বরূপ, এসডাব্লুসিসি সিরিজটি গ্রহণ করুন-এমন শিল্পগুলির কঠোর চাহিদা পরিচালনা করার জন্য নির্মিত যা টেকসই এসডাব্লুসি ইউনিভার্সাল জয়েন্ট শ্যাফ্ট কাপলিং লিফটিং এবং উপাদান হ্যান্ডলিং সরঞ্জামগুলিতে প্রয়োজন। আমরা আরও উন্নত সুবিধা পেয়েছি: সিএনসি ওয়ার্কশপ, গ্রাইন্ডিং এবং হিট ট্রিটমেন্ট মেশিন, 3 ডি পরিমাপ সরঞ্জামগুলি-সমস্ত আইএসও 9001/টিএস 16949 স্ট্যান্ডার্ডগুলিতে লেগে থাকে, সুতরাং আমরা যে প্রতিটি শিল্প ইউনিভার্সাল যৌথ কাপলিং করি তা শীর্ষ-মানের এবং সুনির্দিষ্ট।
আমরা আমাদের 80% পণ্য বিদেশে, মার্কিন যুক্তরাষ্ট্র, জার্মানি, জাপান, ইতালি, মালয়েশিয়া, অস্ট্রেলিয়া এবং মধ্য প্রাচ্যের মতো বাজারে বিক্রি করি। এবং আমরা চীন, দক্ষিণ কোরিয়া, যুক্তরাজ্য, সিঙ্গাপুর, মার্কিন যুক্তরাষ্ট্র এবং স্পেনের মতো জায়গাগুলিতে একটি শক্তিশালী নেটওয়ার্ক পেয়েছি। এই বৈশ্বিক পৌঁছনো আমাদের এসডাব্লুসি হেভি-ডিউটি ইউনিভার্সাল জয়েন্ট কাপলিংয়ের মতো কাস্টমাইজড সমাধানগুলি তৈরি করতে দেয়-ভারী যন্ত্রপাতি ইউনিভার্সাল জয়েন্ট কাপলিং সিস্টেমগুলির জন্য ডিজাইন করা যা বড় লোডগুলি পরিচালনা করতে হবে এবং দীর্ঘ সময় স্থায়ী হয়।
উদ্ভাবন এবং গ্রাহকদের খুশি করা আমাদের অগ্রাধিকার। আমরা শক্তি-সঞ্চয়কারী সর্বজনীন যৌথ কাপলিং সমাধানগুলি সরবরাহ করি যা 98.6% ট্রান্সমিশন দক্ষতা পর্যন্ত আঘাত করে, উচ্চ-শক্তি সেটআপগুলির জন্য অপারেশনাল ব্যয়গুলি কেটে দেয়। আপনার বৃহত বিদ্যুৎ সংক্রমণের জন্য দক্ষ ইউনিভার্সাল জয়েন্ট কাপলিং বা শব্দের বিষয়গুলির জন্য একটি স্বল্প-শব্দের সর্বজনীন যৌথ সংযোগের প্রয়োজন কিনা, আমাদের পণ্যগুলি পেশাদার বিক্রয়কর্মের পরিষেবা সহ আসে-এবং আমরা জিনিসগুলি সঠিকভাবে করার জন্য উত্সর্গীকৃত। এজন্যই আপনার সমস্ত সংক্রমণ প্রয়োজনের জন্য রায়ডাফন সেরা বাছাই।
ঠিকানা
লুওটুও শিল্প অঞ্চল, ঝেনহাই জেলা, নিংবো সিটি, চীন
টেলিফোন
ই-মেইল


+86-574-87168065


লুওটুও শিল্প অঞ্চল, ঝেনহাই জেলা, নিংবো সিটি, চীন
কপিরাইট © রায়ডাফোন টেকনোলজি গ্রুপ কোং, সীমাবদ্ধ সমস্ত অধিকার সংরক্ষিত।
Links | Sitemap | RSS | XML | গোপনীয়তা নীতি |
