QR কোড
পণ্য
যোগাযোগ করুন


ফ্যাক্স
+86-574-87168065

ই-মেইল

ঠিকানা
লুওটুও শিল্প অঞ্চল, ঝেনহাই জেলা, নিংবো সিটি, চীন
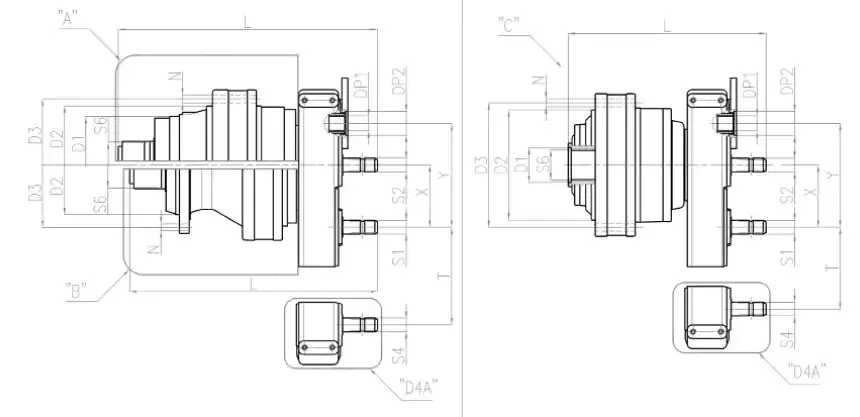
| মডেল | পিজি -702 | পিজি -1002 | পিজি -1602 | পিজি -1802 | পিজি -2502 | পিজি -3002 | পিজি -3503 | |||
| অনুপাত i | 18.2 | 18.3 | 13.4-33.6 | 15.7-29.9 | 14.6-20-36.2 | 45.3 | 53.7 | |||
| আউটপুট টাইপ | B | B | B | C | B | C | A | C | C | C |
| ডি 1 |
|
|
|
88 এইচবি |
|
88 এইচবি | 245f7 | 102H7 | 102H7 | 122 এইচএফ |
| ডি 2 | 200F7 | 230F7 | 230F7 | 278f7 | 230 এফ | 278f7 | 340f7 | 340f7 | 340f7 | 340f7 |
| ডি 3 | 250 | 295 | 295 | 314 | 295 | 314 | 370 | 370 | 370 | 370 |
| N | ∅15 × n ° 12 | ∅17 × n ° 10 | ∅17 × n ° 10 | ∅15 × n ° 18 | ∅17 × n ° 10 | ∅15 × n ° 18 | ∅17 × n ° 15 | ∅17 × n ° 15 | ∅17 × n ° 15 | ∅17 × n ° 15 |
| L | 646.5 | 627.5 | 693 | 490.5 | 714 | 499.5 | 798.5 | 595.5 | 601 | 680.5 |
| এস 6 | 70*64 DIN5482 | 80*74 DIN5482 | 100*94 DIN5482 | 80*74 DIN5482 | 100*94 DIN5482 | 80*74 DIN5482 | 100*94 DIN5482 | 100*94 DIN5482 | 100*94 DIN5482 | 120*22*5 DIN5482 |
| এস 1 | 1 "3/8 জেড 6 | 1 "3/8 জেড 6 | 1 "3/8 জেড 6 | 1 "3/8 জেড 6 | 1 "3/8 জেড 6 | 1 "3/8 জেড 6 | 1 "3/8 জেড 6 | 1 "3/8 জেড 6 | 1 "3/8 জেড 6 | 1 "3/8 জেড 6 |
| এস 2 | 1 "3/8 জেড 6 | 1 "3/8 জেড 6 | 1 "3/8 জেড 6 | 1 "3/8 জেড 6 | 1 "3/8 জেড 6 | 1 "3/8 জেড 6 | 1 "3/8 জেড 6 |
|
|
|
| ডিপি 1 | 40*36 DIN5482 | 40*36 DIN5482 | 40*36 DIN5482 | 40*36 DIN5482 | 40*36 DIN5482 | 40*36 DIN5482 | 40*36 DIN5482 | 40*36 DIN5482 | 40*36 DIN5482 | 40*36 DIN5482 |
| ডিপি 2 | 60.3HB | 60.3HB | 60.3HB | 60.3HB | 60.3HB | 60.3HB | 60.3HB | 60.3HB | 60.3HB | 60.3HB |
| X | 157 | 157 | 157 | 157 | 157 | 157 | 157 | 157 | 157 | 157 |
| Y | 262 | 262 | 262 | 262 | 262 | 262 | 262 | 262 | 262 | 262 |
| এস 4 |
|
|
|
1 "3/8 জেড 6 |
|
1 "3/8 জেড 6 |
|
1 "3/8 জেড 6 | 1 "3/8 জেড 6 | 1 "3/8 জেড 6 |
| T |
|
|
|
156.8 |
|
156.8 |
|
156.8 | 156.8 | 156.8 |
| মডেল | অনুপাত i | ডি 1 | ডি 2 | ডি 3 | ডি 4 | N | E |
| পিজি -1602 | 22.14-33.6 | 80*74 DIN5482 | 225 এফ 7 | 278 এফ 7 | 314 | ∅15 × n ° 18 | SAE B/SAE গ |
| পিজি -2502 | 20-36.2 | 100*94 DIN5482 | 245 এফ 7 | 340f7 | 370 | ∅17 × n ° 15 | SAE B/SAE গ |
| মডেল | অনুপাত i | ডি 1 | ডি 2 | ডি 3 | N | E |
| পিজি -161 | 3.55-2.49-5.60 | 40*36 DIN5482 | 110 এফ 7 | 165 | ∅10.5 × n ° 8 | SAE A/SAE B/SAE বিবি/ওএমটিএস |
| পিজি -251 | 4.13-5.17-6.00 | 58*53 DIN5482 | 150 এফ 7 | 195 | ∅13 × n ° 10 | SAE A/SAE B/SAE বিবি/ওএমটিএস |
| পিজি -501 | 4.13-5.17-6.00 | 58*53 DIN5482 | 150 এফ 7 | 195 | ∅13 × n ° 10 | SAE A/SAE B/SAE বিবি/ওএমটিএস |
এর উন্নয়নপিজি সিরিজ ফিড মিক্সার প্ল্যানেটারি গিয়ারবক্সTraditional তিহ্যবাহী মিশ্রণ সরঞ্জামগুলির সংক্রমণ ব্যবস্থার ব্যথা পয়েন্টগুলির গভীর অন্তর্দৃষ্টি থেকে ডেকে আনে। এর তিনটি প্ল্যানেটারি গিয়ার বিতরণ করা ট্রান্সমিশন আর্কিটেকচার যান্ত্রিক কাঠামোর একটি সাধারণ স্ট্যাকিং নয়, তবে বিভিন্ন কাঁচামাল অনুপাতের অধীনে স্ট্রেস অবস্থার বারবার সিমুলেশন এর মাধ্যমে গিয়ার মডুলাস, দাঁত প্রস্থ এবং হেলিক্স কোণের সোনার সংমিশ্রণটি শেষ পর্যন্ত নির্ধারিত হয়। উদাহরণস্বরূপ, কর্ন ডালপালা এবং সয়াবিন খাবারের মিশ্রণগুলি প্রক্রিয়াজাত করার সময়, এর অনন্য জড়িত দাঁত নকশা উপাদান জ্যামিংয়ের ঝুঁকি 15%হ্রাস করতে পারে। উচ্চ-নির্ভুলতা গ্রাইন্ডিং প্রক্রিয়া সহ, দাঁত পৃষ্ঠের রুক্ষতা RA0.8 এর নীচে নিয়ন্ত্রণ করা হয়, যা traditional তিহ্যবাহী গিয়ারবক্সগুলির তুলনায় সংক্রমণ দক্ষতা 8% -10% বৃদ্ধি করে। একটি ফিড কারখানার পরিমাপকৃত ডেটা দেখায় যে প্রতিদিন 12 ঘন্টা অবিচ্ছিন্ন ক্রিয়াকলাপে এই গিয়ারবক্সের শক্তি খরচ অনুরূপ পণ্যের তুলনায় 14% কম, এবং মিক্সিং শ্যাফ্টের টর্কের ওঠানামা প্রশস্ততা 22% হ্রাস পেয়েছে, যা মিশ্রণের অভিন্নতার উল্লেখযোগ্যভাবে উন্নত করে।
বালি, পাথর এবং ধাতব ধ্বংসাবশেষের মতো শক্ত কণাগুলির জন্য যা প্রায়শই ফিড কাঁচামালগুলিতে মিশ্রিত হয়, এই গিয়ারবক্সটি উপকরণ এবং প্রক্রিয়াগুলির ক্ষেত্রে লক্ষ্যবস্তু করা হয়েছে। গিয়ার বডিটি 20crmnti মিশ্রিত ইস্পাত দিয়ে তৈরি। স্বল্প-তাপমাত্রার মেজাজের প্রক্রিয়াটির সাথে মিলিতভাবে 1.2 মিমি গভীরতার সাথে চিকিত্সা শোধ করার পরে, দাঁত মূল বাঁকানো ক্লান্তি শক্তি 850 এমপিএরও বেশি বৃদ্ধি করা হয়। একটি পাল্লায় অসম্পূর্ণ কাঁচামাল স্ক্রিনিংয়ের চরম কাজের অবস্থার অধীনে, এর পিটিং প্রতিরোধের একটি অবিচ্ছিন্ন 500 ঘন্টা বালি এবং নুড়ি প্রভাব পরীক্ষা সহ্য করেছে এবং খোসা ছাড়াই দাঁত পৃষ্ঠে কেবল সামান্য স্ক্র্যাচ উপস্থিত হয়েছিল। একই সময়ে, পাঁজর প্লেট লেআউটটি অনুকূল করে এবং গ্রহীয় ক্যারিয়ারের প্রিলোড বহন করে, গিয়ারবক্সটি এখনও রেটযুক্ত টর্কের 1.5 গুণ তাত্ক্ষণিক প্রভাবের শিকার হলেও ওভারলোডের কারণে দাঁত ভাঙ্গার ঝুঁকি এড়িয়ে যাওয়ার পরে ট্রান্সমিশন নির্ভুলতা বজায় রাখতে পারে।
গিয়ারবক্সের বুদ্ধিমান নকশাটি ফিড প্রসেসিং শিল্পে অপারেশন এবং রক্ষণাবেক্ষণের ব্যথা পয়েন্টগুলির গভীর বোঝার থেকে উদ্ভূত। এর অন্তর্নির্মিত বুদ্ধিমান মনিটরিং মডিউলটি কোনও সাধারণ ডেটা সংগ্রাহক নয়, তবে একটি অ্যালগরিদম মডেলের মাধ্যমে তাপমাত্রা, কম্পন, বর্তমান এবং অন্যান্য সংকেতের ক্রস-বিশ্লেষণ। উদাহরণস্বরূপ, যখন ভারবহন তাপমাত্রা অস্বাভাবিকভাবে উচ্চ হিসাবে সনাক্ত করা হয়, তখন সিস্টেমটি লোড ইতিহাসের ডেটা একত্রিত করবে এটি নির্ধারণের জন্য এটি অপর্যাপ্ত লুব্রিকেশন বা ভারবহন পরিধান কিনা তা নির্ধারণ করে এবং নির্দিষ্ট রক্ষণাবেক্ষণের সুপারিশগুলিকে ধাক্কা দেয়। এই সিস্টেমটি প্রয়োগ করার পরে, একটি ফিড সংস্থা গ্রীস প্রতিস্থাপন করে এবং ভারবহন ছাড়পত্র আগে থেকে সামঞ্জস্য করে তিনটি অপরিকল্পিত ডাউনটাইমগুলি এড়িয়ে চলেছে এবং সামগ্রিক সরঞ্জামের দক্ষতা (ওইই) 18%বৃদ্ধি পেয়েছে। এছাড়াও, এর মডুলার দ্রুত-মুক্তির কাঠামোর নকশাটি ফ্রন্ট-লাইন রক্ষণাবেক্ষণ কর্মীদের প্রতিক্রিয়া দ্বারা অনুপ্রাণিত হয়েছিল। প্ল্যানেটারি গিয়ার সেটটির সামগ্রিক প্রতিস্থাপন সম্পূর্ণ করতে কেবল চারটি বোল্টকে আলগা করা দরকার এবং রক্ষণাবেক্ষণের সময়টি traditional তিহ্যবাহী কাঠামোর 4 ঘন্টা থেকে 1.5 ঘন্টা পর্যন্ত সংক্ষিপ্ত করা হয়।
পরিবেশ সুরক্ষা এবং শক্তি দক্ষতা অপ্টিমাইজেশনের ক্ষেত্রে, গিয়ারবক্সের উদ্ভাবনী নকশাটি ব্যয় হ্রাস করতে এবং দক্ষতা বাড়ানোর জন্য ফিড শিল্পের প্রয়োজনের সুনির্দিষ্ট উপলব্ধি থেকে উদ্ভূত। এর তাপ অপচয় হ্রাস কাঠামো অন্ধভাবে তাপ অপচয় হ্রাস অঞ্চল বাড়ায় না, তবে তরল মেকানিক্স সিমুলেশনের মাধ্যমে তাপের অপচয় পাঁজরের সর্পিল কোণ এবং ব্যবধানকে অনুকূল করে তোলে, যাতে প্রাকৃতিক তাপ অপচয় হ্রাস দক্ষতা 30%বৃদ্ধি পায়, যার ফলে শীতল ফ্যানের শক্তি খরচ হ্রাস হয়। লুব্রিকেশন সিস্টেমে, দ্বৈত-অঞ্চল তেল সরবরাহ প্রযুক্তি লোড অনুযায়ী তেলের পরিমাণকে গতিশীলভাবে সামঞ্জস্য করতে গৃহীত হয়, traditional তিহ্যবাহী গিয়ারবক্সগুলির "বন্যা" তৈলাক্তকরণ পদ্ধতি এড়িয়ে এবং 25%লুব্রিক্যান্ট খরচ হ্রাস করে। ইউরোপে রফতানি করা ফিড উত্পাদন লাইনের প্রকৃত পরিমাপটি দেখায় যে গিয়ারবক্সের শব্দের স্তরটি ইইউ স্ট্যান্ডার্ডের তুলনায় 5 ডিবি কম এবং এর শক্তি দক্ষতার স্তরটি আইই 3 স্ট্যান্ডার্ডে পৌঁছেছে, গ্রাহকদের আমদানি দেশের শক্তি দক্ষতা শংসাপত্র সফলভাবে পাস করতে সহায়তা করে। এই নকশা ধারণাটি যা বাণিজ্যিক মূল্যের সাথে প্রযুক্তিগত বিশদকে গভীরভাবে আবদ্ধ করে পণ্য বিজয়ী বাজারের স্বীকৃতির মূল চাবিকাঠি।
হ্যালো! আমি স্পেনের বার্সেলোনার গ্রাহক এলেনা গার্সিয়া। আমরা দেড় বছর ধরে আমাদের ফটোভোলটাইক প্যানেল ট্র্যাকিং সিস্টেমে আপনার প্ল্যানেটারি গিয়ারবক্স ব্যবহার করে আসছি। এই সরঞ্জামগুলি আমাদের সানশাইন ট্র্যাকিংয়ের নির্ভুলতার সমস্যাটিকে পুরোপুরি সমাধান করেছে - আমরা আগে যে গিয়ারবক্সটি ব্যবহার করেছি তা সর্বদা সকালে এবং সন্ধ্যায় প্রায় 5 ডিগ্রির ট্র্যাকিং বিচ্যুতি ছিল, যখন এনকোডার সহ আপনার গ্রহীয় গিয়ারবক্সটি 0.5 ডিগ্রির মধ্যে ট্র্যাকিং ত্রুটি নিয়ন্ত্রণ করতে পারে। এখন ফটোভোলটাইক প্যানেলগুলির গড় দৈনিক বিদ্যুৎ উত্পাদন আগের তুলনায় 18% বৃদ্ধি পেয়েছে এবং এমনকি বিদ্যুতের বিলটি উল্লেখযোগ্যভাবে পাতলা হয়ে গেছে। এখন এই গ্রহীয় গিয়ারবক্স সমুদ্রের তীরে ফটোভোলটাইক পাওয়ার স্টেশনে লবণের স্প্রে এবং শক্তিশালী বাতাসের পরীক্ষা সহ্য করেছে। গিয়ারবক্স হাউজিংয়ের অ্যান্টি-জারা লেপগুলি পড়ার কোনও লক্ষণ দেখেনি এবং অভ্যন্তরীণ গিয়ার তেলটি আগের মতো ঘন ঘন প্রতিস্থাপনের প্রয়োজন হয় না। আমি ভবিষ্যতে আরও পুনর্নবীকরণযোগ্য শক্তি প্রকল্পগুলিতে আপনার সাথে কাজ করার অপেক্ষায় রয়েছি!
আমি জার্মানির যান্ত্রিক প্রকৌশলী হান্স মুলার। অর্ধ বছর আগে, আমি প্রোডাকশন লাইন আপগ্রেডের জন্য রায়ডাফনের প্ল্যানেটারি গিয়ারবক্সগুলি কিনেছিলাম। এগুলি ব্যবহার করার পরে, তারা আমার প্রত্যাশা ছাড়িয়ে গেছে! সরঞ্জামগুলি উচ্চ-সান্দ্রতা কাঁচামাল প্রক্রিয়া করতে দিনে 16 ঘন্টা উচ্চ লোডে চলে। গিয়ারবক্সের শব্দটি 20%হ্রাস পেয়েছে, সংক্রমণ দক্ষতা 94%এরও বেশি স্থিতিশীল, তাপমাত্রা বৃদ্ধি সর্বদা 25 ডিগ্রি সেন্টিগ্রেডের মধ্যে নিয়ন্ত্রণ করা হয় এবং স্থায়িত্বটি পুরানো মডেলগুলির চেয়ে অনেক বেশি উন্নত। আপনার দলটি প্রাথমিক প্যারামিটার অপ্টিমাইজেশন থেকে, দূরবর্তী ডিবাগিং গাইডেন্সের সিলিং স্ট্রাকচার অ্যাডজাস্টমেন্ট থেকে শুরু করে প্রক্রিয়া জুড়ে পেশাদার এবং দক্ষ ছিল। বিশদ নকশা (যেমন ডাস্টপ্রুফ সিলস এবং স্ট্যান্ডার্ডাইজড মাউন্টিং গর্ত) আরও প্রকৃত কাজের অবস্থার গভীর বোঝার প্রতিফলন করে। রায়ডাফনের পণ্যের গুণমান এবং পরিষেবা স্তরটি আমাকে বিনা দ্বিধায় সরবরাহকারীদের তালিকায় অন্তর্ভুক্ত করে তোলে এবং আমার সহকর্মীদের কাছে দৃ strongly ়ভাবে এটি সুপারিশ করে!
আমি এত বছর ধরে একটি রাঞ্চ চালাচ্ছি এবং অনেকগুলি গিয়ারবক্স পরিবর্তন করেছি। আমি রায়ডাফনের প্ল্যানেটারি গিয়ারবক্স ব্যবহার না করা পর্যন্ত এটি ছিল না যে আমি সত্যিই বুঝতে পেরেছিলাম যে এটি উদ্বেগ-মুক্ত হওয়ার অর্থ কী! আমি আগে যে সরঞ্জামগুলি ব্যবহার করেছি তা সিলেজ মিশ্রিত করার সময় সর্বদা আন্ডার পাওয়ার ছিল এবং গিয়ারগুলি প্রায়শই পিছলে যায়। আমি আপনার গ্রহের গিয়ারবক্সটি এত শক্তিশালী হওয়ার আশা করিনি। আপনার পণ্যটি আমি যা ভাবি তার চেয়ে ইনস্টল করা অনেক সহজ এবং এটি বজায় রাখাও সহজ। গতবার আমি নিজেই একটি দৈনিক পরিদর্শন করেছি, আমি দেখতে পেলাম যে গিয়ারবক্সটি খুব ভালভাবে সিল করা হয়েছিল এবং তেল ফুটো হওয়ার কোনও চিহ্ন নেই। আমি অবশ্যই ভবিষ্যতে আপনাকে সমর্থন অব্যাহত রাখব এবং আমার রানার বন্ধুদের কাছে আপনাকে সুপারিশ করব! ---- মার্ক জনসন
ঠিকানা
লুওটুও শিল্প অঞ্চল, ঝেনহাই জেলা, নিংবো সিটি, চীন
টেলিফোন
ই-মেইল


+86-574-87168065


লুওটুও শিল্প অঞ্চল, ঝেনহাই জেলা, নিংবো সিটি, চীন
কপিরাইট © রায়ডাফোন টেকনোলজি গ্রুপ কোং, সীমাবদ্ধ সমস্ত অধিকার সংরক্ষিত।
Links | Sitemap | RSS | XML | গোপনীয়তা নীতি |
